ZHCSXN7A December 2024 – April 2025 TLV3511
PRODMIX
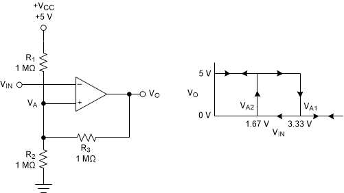
具有遲滯功能的反相比較器需要一個以比較器電源電壓 (VCC) 為基準的三電阻器網絡,如下所示。
圖 7-3 采用反相配置且具有遲滯功能的 TLV3511輸出為高電平和低電平時的等效電阻器網絡如下所示。
圖 7-4 反相配置電阻器等效網絡當 VIN 小于 VA 時,輸出電壓為高電平(為簡單起見,假設 VO 切換至與 VCC 一樣高)。三個網絡電阻器可以表示為 R1 || R3 與 R2 串聯(lián),如左上方所示。
下面的公式定義了從高電平轉換到低電平的跳變電壓 (VA1)。

當 VIN 大于 VA 時,輸出電壓較低。在這種情況下,三個網絡電阻器可以表示為 R2 || R3 與 R1 串聯(lián),如右上方所示。
使用下面的公式定義從低電平轉換到高電平的跳變電壓 (VA2)。

此公式定義了網絡提供的總遲滯。
