ZHCSK24D July 2019 – July 2021 TPS25832-Q1 , TPS25833-Q1
PRODUCTION DATA
Refer to Figure 10-15. The TPS2583x-Q1 can establish current limit by two methods.
The two level current limit is described below:
Isolating a fault on the USB port from other loads connected to the CSP output of the TPS2583x-Q1. In some applications, it may be useful to power additional circuitry (example USB HUB) from the output of the TPS2583x-Q1 and maintain operation of these circuits in the event of a short circuit downstream of the BUS pin. To prevent triggering the MOSFET current limit below the programmed ILIMIT threshold, external circuits should be supplied after the inductor and before the current sense resistor, RSNS.
After RSNS and RSET are determined and the full load ISET current is known, the resistor value RILIMIT can be determined by:

In most case, the recommended voltage across RSNS under current limit should be approximately 50 mV as a compromise between accuracy and power dissipation. While in some application, RILIMIT is the only resistor that can be changed to achieve different current limit. Typical RILIMIT resistors value are listed in Table 10-2 given the condition RSNS= 15 mΩ and RSET= 300 Ω
| Current-Limit Threshold (mA) | RILIMIT (kΩ) | |
|---|---|---|
| With External MOSFET | Buck Average | |
| 700 | 26.1 | 53.6 |
| 1500 | 12.7 | 26.1 |
| 1700 | 11.3 | 22.6 |
| 2700 | 7.15 | 14.7 |
| 3000 | 6.49 | 13 |
| 3400 | 5.62 | 11.5 |
| 3800 | 5.11 | 10.5 |
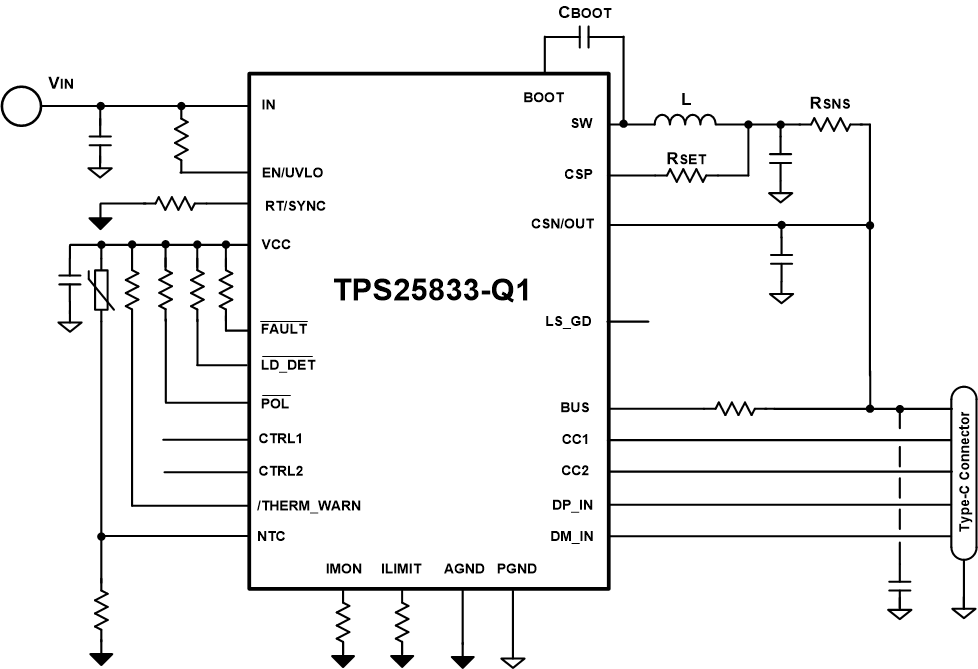
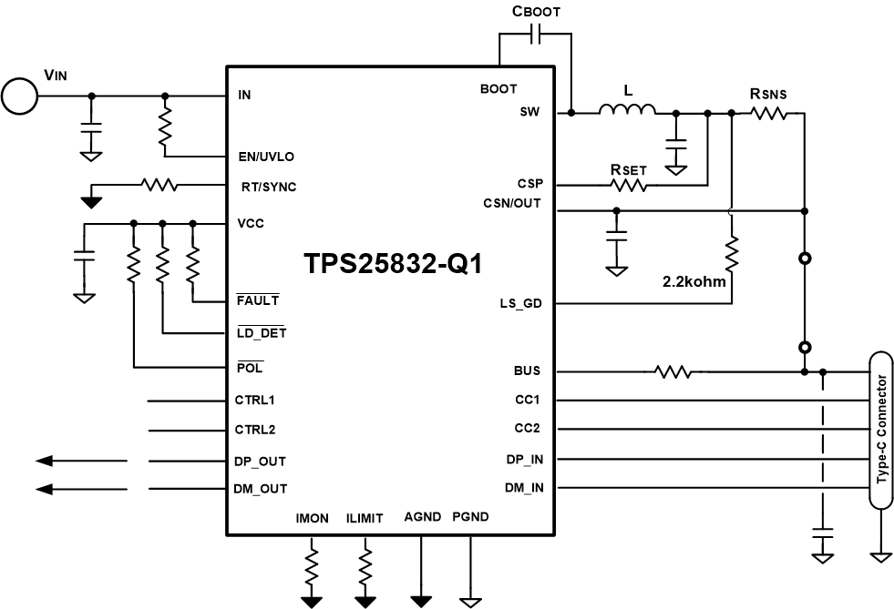
CSN/OUT connected directly to BUS. For TPS25833-Q1, LS_GD pin can be floating. For TPS25832-Q1, LS_GD pin must be pulled up through 2.2-kΩ resistor. The TPS2583x-Q1 can operate as a stand-alone USB charging port. In this configuration, the internal buck regulator operates with average current limiting as programmed by the ILIMIT pin, potentially producing less heat compared to N-channel MOSFET current limiting
After RSNS and RSET are determined and the full load ISET current is known, the resistor value RILIMIT can be determined by:

Typical RILIMIT resistors value are listed in Table 10-2 given the condition RSNS = 15 mΩ and RSET = 300 Ω
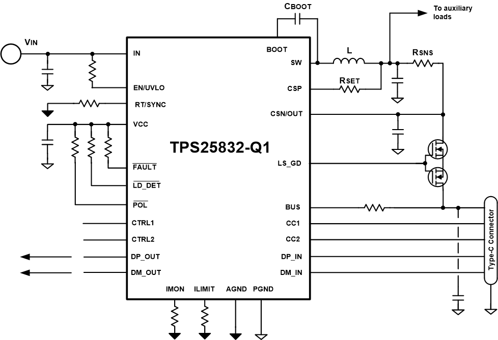
Figure 10-16 TPS25832-Q1 Current Limit with External MOSFET
Figure 10-18 TPS25832-Q1 Buck Average Current Limit
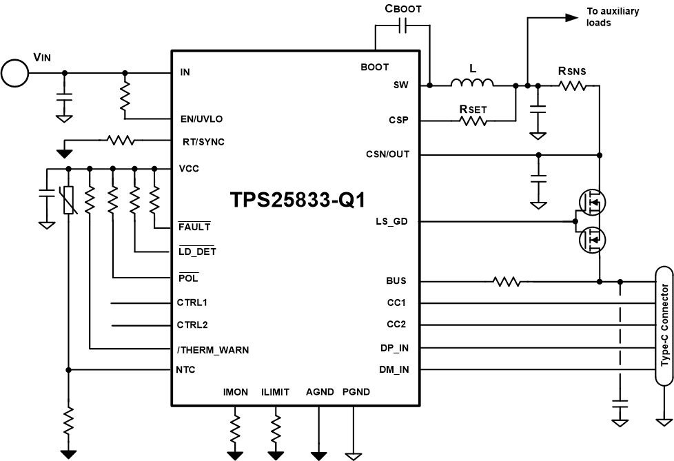
Figure 10-17 TPS25833-Q1 Current Limit with External MOSFET
Figure 10-19 TPS25833-Q1 Buck Average Current Limit