ZHCSE71I september 2015 – august 2023 SN6505A , SN6505B
PRODUCTION DATA
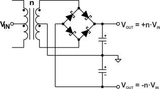
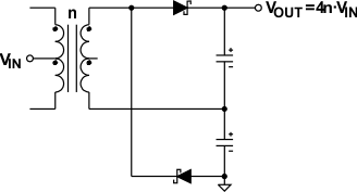
The device can drive push-pull converters that provide high output voltages of up to 30 V, or bipolar outputs of up to ±15 V. Using commercially available center-tapped transformers, with their rather low turns ratios of 0.8 to 5, requires different rectifier topologies to achieve high output voltages. Figure 9-9 to Figure 9-11 show some of these topologies together with their respective open-circuit output voltages.


