ZHCSQ08E December 1982 – February 2022 SN54HC139 , SN74HC139
PRODUCTION DATA
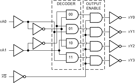
SNx4HC139 包含兩個 2 線至 4 線解碼器,具有一個低電平有效的輸出選通 G。當一個通道的輸出受到選通輸入控制時,所有輸出強制進入高電平狀態(tài)。當選通輸入未禁用輸出時,只有選定輸出為低電平,而所有其他輸出為高電平。
| 器件型號 | 封裝(1) | 封裝尺寸(標稱值) |
|---|---|---|
| SN74HC139D | SOIC (16) | 9.90mm × 3.90mm |
| SN74HC139DB | SSOP (16) | 6.20mm × 5.30mm |
| SN74HC139N | PDIP (16) | 19.31mm × 6.35mm |
| SN74HC139NS | SO (16) | 6.20mm x 5.30mm |
| SN74HC139PW | TSSOP (16) | 5.00mm × 4.40mm |
| SN54HC139J | 陶瓷雙列直插封裝 (CDIP) (16) | 24.38mm × 6.92mm |
| SNJ54HC139FK | LCCC (20) | 8.89mm × 8.45mm |
| SNJ54HC139W | CFP (16) | 10.16mm × 6.73mm |

所示引腳編號用于 D、DB、J、N、NS、PW 和 W 封裝。
功能方框圖