ZHCSGS9 September 2017 TPS565201
PRODUCTION DATA.
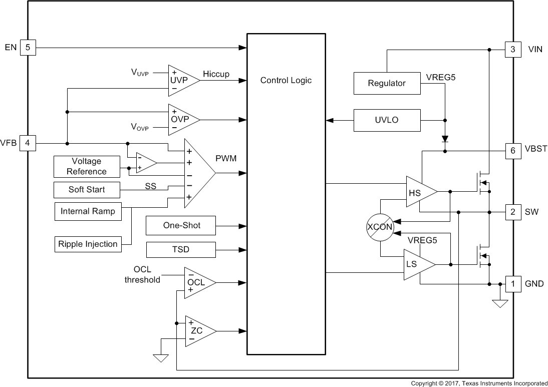
The TPS565201 is a 5-A synchronous step-down converter. The proprietary D-CAP2™ mode control supports low ESR output capacitors such as specialty polymer capacitors and multi-layer ceramic capacitors without complex external compensation circuits. The fast transient response of D-CAP2™ mode control can reduce the output capacitance required to meet a specific level of performance.
The main control loop of the TPS565201 is adaptive on-time pulse width modulation (PWM) controller that supports a proprietary D-CAP2™ mode control. The D-CAP2™ mode control combines adaptive on-time control with an internal compensation circuit for pseudo-fixed frequency and low external component count configuration with low-ESR ceramic output capacitors. It is stable even with virtually no ripple at the output.
At the beginning of each cycle, the high-side MOSFET is turned on. This MOSFET is turned off after internal one-shot timer expires. This one shot duration is set inversely proportional to the converter input voltage, VIN, and proportional to the output voltage VO, to maintain a pseudo-fixed frequency over the input voltage range, hence it is called adaptive on-time control. The one-shot timer is reset and the high-side MOSFET is turned on again when the feedback voltage falls below the reference voltage. An ripple is added to reference voltage to simulate output ripple, eliminating the need for ESR induced output ripple from D-CAP2TM mode control.
The TPS565201 is designed with Eco-mode™ to maintain high light load efficiency. As the output current decreases from heavy load condition, the inductor current is also reduced and eventually comes to point that its rippled valley touches zero level, which is the boundary between continuous conduction and discontinuous conduction modes. The rectifying MOSFET is turned off when the zero inductor current is detected. As the load current further decreases the converter runs into discontinuous conduction mode. The on-time is kept almost the same as it was in the continuous conduction mode so that it takes longer time to discharge the output capacitor with smaller load current to the level of the reference voltage. This makes the switching frequency lower, proportional to the load current, and keeps the light load efficiency high. The transition point to the light load operation IOUT(LL) current can be calculated in Equation 1.

The TPS565201 has an internal 1.0-ms soft-start. When the EN pin becomes high, the internal soft-start function begins ramping up the reference voltage to the PWM comparator.
If the output capacitor is pre-biased at startup, the device initiates switching and starts ramping up only after the internal reference voltage becomes greater than the feedback voltage VFB. This scheme ensures that the converter ramps up smoothly into regulation point.
The output over-current limit (OCL) is implemented using a cycle-by-cycle valley detect control circuit. The inductor current is monitored during the OFF state by measuring the low-side FET drain to source voltage, which is proportional to the switch current. To improve accuracy, the voltage sensing is temperature compensated.
During the on time of the high-side FET switch, the switch current increases at a linear rate determined by VIN, VOUT, and the output inductor value. During the on time of the low-side FET switch, this current decreases linearly. The average value of the switch current is the load current IOUT. If the monitored current is above the OCL level, the converter maintains low-side FET on and delays the creation of a new set pulse, even the voltage feedback loop requires one, until the current level becomes OCL level or lower. In subsequent switching cycles, the on-time is set to a fixed value and the current is monitored in the same manner.
There are some important considerations for this type of over-current protection. The load current is higher than the over-current threshold by one half of the peak-to-peak inductor ripple current. Also, when the current is being limited, the output voltage tends to fall as the demanded load current may be higher than the current available from the converter. This may cause the output voltage to fall. When the VFB voltage falls below the UVP threshold voltage, the UVP comparator detects it. And then, the device shuts down after the UVP delay time (typically 24 µs) and re-starts after the hiccup time (typically 14.9 ms).
When the over current condition is removed, the output voltage returns to the regulated value.
UVLO protection monitors input voltage. When the voltage is lower than UVLO threshold voltage, the device is shut off. This protection is non-latching.
The device monitors the temperature of itself. If the temperature exceeds the threshold value (typically 172°C), the device is shut off. This is a non-latch protection.
When the input voltage is above the UVLO threshold and the EN voltage is above the enable threshold, the TPS565201 operates in the normal switching mode. Normal continuous conduction mode (CCM) occurs when the minimum switch current is above 0 A. In CCM, the TPS565201 operates at a quasi-fixed frequency of 500 kHz.
When the TPS565201 is in the normal CCM operating mode and the switch current falls to 0 A, the TPS565201 begins operating in pulse skipping eco-mode. Each switching cycle is followed by a period of energy saving sleep time. The sleep time ends when the VFB voltage falls below the eco-mode threshold voltage. As the output current decreases, the perceived time between switching pulses increases.
When the TPS565201 is operating in either normal CCM or Eco-mode™, it may be placed in standby by asserting the EN pin low.