ZHCS329B July 2011 – April 2015
PRODUCTION DATA.
| MIN | MAX | UNIT | ||
|---|---|---|---|---|
| Voltage(2) | VCC | –0.3 | 7 | V |
| CT | –0.3 | VCC + 0.3 | ||
| ENABLE, SENSE, SENSE_OUT (push-pull) | –0.3 | 7 | ||
| SENSE_OUT (open drain) | –0.3 | 20 | ||
| SENSE_OUT (push-pull) | –0.3 | 7 | ||
| Current | SENSE_OUT | ±10 | mA | |
| Temperature | Operating junction, TJ | –40 | 125 | °C |
| Storage, Tstg | –65 | 150 | ||
| VALUE | UNIT | |||
|---|---|---|---|---|
| V(ESD) | Electrostatic discharge | Human body model (HBM), per ANSI/ESDA/JEDEC JS-001, all pins(1) | ±2000 | V |
| Charged device model (CDM), per JEDEC specification JESD22-C101, all pins(2) | ±500 | |||
| MIN | NOM | MAX | UNIT | ||
|---|---|---|---|---|---|
| VCC | Input supply voltage | 1.7 | 6.5 | V | |
| VENABLE, VENABLE | ENABLE and ENABLE pin voltage | 0 | 6.5 | V | |
| VSENSE | SENSE pin voltage | 0 | 6.5 | V | |
| VSENSE_OUT, VSENSE_OUT (open drain) | SENSE_OUT, SENSE_OUT pin voltage | 0 | 18 | V | |
| VSENSE_OUT, VSENSE_OUT (push-pull) | SENSE_OUT, SENSE_OUT pin voltage | 0 | VCC | V | |
| ISENSE_OUT, ISENSE_OUT | SENSE_OUT, SENSE_OUT pin current | 0.0003 | 1 | mA | |
| THERMAL METRIC(1) | TPS389x | UNIT | |
|---|---|---|---|
| DRY (USON) | |||
| 6 PINS | |||
| RθJA | Junction-to-ambient thermal resistance | 293.8 | °C/W |
| RθJC(top) | Junction-to-case (top) thermal resistance | 165.1 | |
| RθJB | Junction-to-board thermal resistance | 160.8 | |
| ψJT | Junction-to-top characterization parameter | 27.3 | |
| ψJB | Junction-to-board characterization parameter | 65.8 | |
| RθJC(bot) | Junction-to-case (bottom) thermal resistance | 65.8 | |
| PARAMETER | TEST CONDITIONS | MIN | TYP | MAX | UNIT | |||
|---|---|---|---|---|---|---|---|---|
| VCC | Supply voltage range | TJ = –40°C to 125°C | 1.7 | 6.5 | V | |||
| TJ = 0°C to 85°C | 1.65 | 6.5 | ||||||
| V(POR) | Power-on reset voltage(1) | VOL (max) = 0.2 V , I(SENSE_OUT) = 15 µA | 0.8 | V | ||||
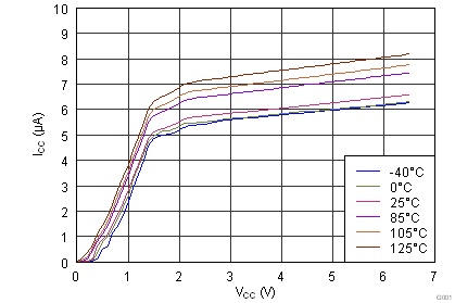
| ICC | Supply current (into VCC pin) | VCC = 3.3 V , no load | 6 | 12 | µA | |||
| VCC = 6.5 V , no load | 7 | 12 | ||||||
| VIT+ | Positive-going input threshold voltage | V(SENSE) rising | 0.495 | 0.5 | 0.505 | V | ||
| Vhys | Hysteresis voltage | V(SENSE) falling | 5 | mV | ||||
| I(SENSE) | Input current(2) | V(SENSE) = 0 V or VCC | –15 | 15 | nA | |||
| I(CT) | CT pin charge current | 260 | 310 | 360 | nA | |||
| V(CT) | CT pin comparator threshold voltage | 1.18 | 1.238 | 1.299 | V | |||
| R(CT) | CT pin pulldown resistance | 200 | Ω | |||||
| VIL | Low-level input voltage (ENABLE pin) | 0.4 | V | |||||
| VIH | High-level input voltage (ENABLE pin) | 1.4 | V | |||||
| UVLO | Undervoltage lockout(3) | VCC falling | 1.3 | 1.7 | V | |||
| Ilkg | Leakage current | ENABLE = VCC or GND | –100 | 100 | nA | |||
| VOL | Low-level output voltage | VCC ≥ 1.2 V, ISINK = 90 µA (TPS3895/7 only) | 0.3 | V | ||||
| VCC ≥ 2.25 V, ISINK = 0.5 mA | 0.3 | |||||||
| VCC ≥ 4.5 V, ISINK = 1 mA | 0.4 | |||||||
| VOH | High-level output voltage (push-pull) | VCC ≥ 2.25 V, ISOURCE = 0.5 mA | 0.8VCC | V | ||||
| VCC ≥ 4.5 V, ISOURCE = 1 mA | 0.8VCC | |||||||
| Ilkg(OD) | Open-drain output leakage current | V(SENSE_OUT) high impedance = 18 V | 300 | nA | ||||
| MIN | TYP | MAX | UNIT | |||
|---|---|---|---|---|---|---|
| tpd(r) | SENSE (rising) to SENSE_OUT propagation delay | V(SENSE) rising, C(CT) = open | 40 | µs | ||
| V(SENSE) rising, C(CT) = 0.047 µF | 190 | ms | ||||
| tpd(f) | SENSE (falling) to SENSE_OUT propagation delay | V(SENSE) falling | 16 | µs | ||
| Start-up delay(1) | 50 | µs | ||||
| tw | ENABLE pin minimum pulse duration | 1 | µs | |||
| ENABLE pin glitch rejection | 100 | ns | ||||
| td(OFF) | ENABLE to SENSE_OUT delay time (output disabled) | ENABLE deasserted to output deasserted | 200 | ns | ||
| td(P) | ENABLE to SENSE_OUT delay time (P version) | ENABLE asserted to output asserted delay (P version) |
200 | ns | ||
| td(A) | ENABLE to SENSE_OUT delay time (A version) | ENABLE asserted to output asserted delay (A version), C(CT) = open |
20 | µs | ||
| ENABLE asserted to output asserted delay (A version), C(CT) = 0.047 µF |
190 | ms | ||||
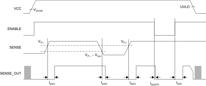
Figure 1. TPS3895A and TPS3897A Timing
Figure 2. TPS3895P and TPS3897P Timing
Figure 3. TPS3896A and TPS3898A Timing
Figure 4. TPS3896P and TPS3898P Timing












