ZHCSEM2A August 2015 – August 2015 TLC6C5712-Q1
PRODUCTION DATA.
NOTE
Information in the following applications sections is not part of the TI component specification, and TI does not warrant its accuracy or completeness. TI’s customers are responsible for determining suitability of components for their purposes. Customers should validate and test their design implementation to confirm system functionality.
The TLC6C5712-Q1 device is capable of driving different numbers of LEDs with accurate current driving and the most-advanced diagnostics. The device is suitable for automotive cluster tell-tale lighting, gear-shifter PRNDL indicators, and other safety-critical LED applications.
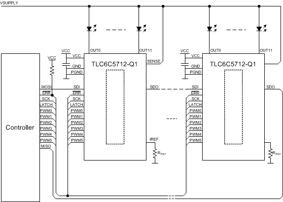
The TLC6C5712-Q1 design supports multiple devices in cascaded daisy-chain mode. Each communication sequence must only have one LATCH rising edge and, therefore, cannot be split into multiple smaller sequences.
Figure 106. Application Schematic for TLC6C5712-Q1 Devices Connected in Cascade
For this design example, use the parameters listed in Table 55.
This design has multiple TLC6C5712-Q1 devices connected by a SPI daisy chain. Use Equation 5 to calculate the reference resistor value.

Use Equation 6 to calculate the dot correction for each channel.

Figure 107. PWM Delay and Output Rise Time
Figure 108. PWM Delay and Output Fall TimeIn some applications, capability to drive higher current is needed. To deliver higher current while maintaining adjacent-short detection capability, channels with odd numbers can be shorted together; similarly, channels with even numbers can be shorted together. If odd and even numbers are shorted together, the device reports a false error during adjacent-pin short detection.
Figure 109. Application Schematic for TLC6C5712-Q1 Devices With Parallel Outputs
For this design example, use the parameters listed in Table 56.
This design has multiple TLC6C5712-Q1 devices connected by a SPI daisy chain. Use Equation 7 to calculate the reference resistor value.

Use Equation 8 to calculate the dot correction for each channel.
