ZHCSA03C july 2012 – november 2020 TL1431-SP
PRODUCTION DATA
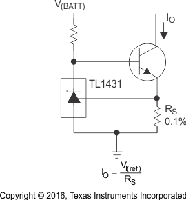
Table 9-2 lists example circuits of the TL1431.
| APPLICATION | FIGURE |
|---|---|
| Shunt regulator | Figure 9-3 |
| Single-supply comparator with temperature-compensated threshold | Figure 9-4 |
| Precision high-current series regulator | Figure 9-5 |
| Output control of a three-terminal fixed regulator | Figure 9-6 |
| Higher-current shunt regulator | Figure 9-7 |
| Crowbar | Figure 9-8 |
| Precision 5-V, 1.5-A, 0.5% regulator | Figure 9-9 |
| 5-V precision regulator | Figure 9-10 |
| PWM converter with 0.5% reference | Figure 9-11 |
| Voltage monitor | Figure 9-12 |
| Delay timer | Figure 9-13 |
| Precision current limiter | Figure 9-14 |
| Precision constant-current sink | Figure 9-15 |


Figure 9-7 Higher-Current Shunt Regulator
Figure 9-9 Precision 5-V, 1.5-A, 0.5% Regulator
Figure 9-11 PWM Converter With 0.5% Reference
Figure 9-13 Delay Timer
Figure 9-15 Precision Constant-Current Sink
Figure 9-4 Single-Supply Comparator With Temperature-Compensated Threshold
Figure 9-6 Output Control of a
Three-Terminal Fixed Regulator


Figure 9-14 Precision Current Limiter