ZHCSAX1F June 2012 – August 2017 LMK04906
PRODUCTION DATA.
NOTE
Information in the following applications sections is not part of the TI component specification, and TI does not warrant its accuracy or completeness. TI’s customers are responsible for determining suitability of components for their purposes. Customers should validate and test their design implementation to confirm system functionality.
To assist customers in frequency planning and design of loop filters, Texas Instruments provides the Clock Design Tool and Clock Architect.
Each PLL of the LMK04906 requires a dedicated loop filter.
The loop filter for PLL1 must be connected to the CPout1 pin. Figure 20 shows a simple 2-pole loop filter. The output of the filter drives an external VCXO module or discrete implementation of a VCXO using a crystal resonator and external varactor diode. Higher order loop filters may be implemented using additional external R and C components. It is recommended the loop filter for PLL1 result in a total closed loop bandwidth in the range of 10 Hz to 200 Hz. The design of the loop filter is application specific and highly dependent on parameters such as the phase noise of the reference clock, VCXO phase noise, and phase detector frequency for PLL1. TI's Clock Conditioner Owner’s Manual covers this topic in detail and TI's Clock Design Tool can be used to simulate loop filter designs for both PLLs.
These resources may be found: Clock and Timing landing page.
As shown in Figure 20, the charge pump for PLL2 is directly connected to the optional internal loop filter components, which are normally used only if either a third or fourth pole is needed. The first and second poles are implemented with external components. The loop must be designed to be stable over the entire application-specific tuning range of the VCO. The designer should note the range of KVCO listed in Electrical Characteristics and how this value can change over the expected range of VCO tuning frequencies. Because loop bandwidth is directly proportional to KVCO, the designer should model and simulate the loop at the expected extremes of the desired tuning range, using the appropriate values for KVCO.
When designing with the integrated loop filter of the LMK04906 family, considerations for minimum resistor thermal noise often lead one to the decision to design for the minimum value for integrated resistors, R3 and R4.
Both the integrated loop filter resistors (R3 and R4) and capacitors (C3 and C4) also restrict the maximum loop bandwidth. However, these integrated components do have the advantage that they are closer to the VCO and can therefore filter out some noise and spurs better than external components. For this reason, a common strategy is to minimize the internal loop filter resistors and then design for the largest internal capacitor values that permit a wide enough loop bandwidth. In situations where spur requirements are very stringent and there is margin on phase noise, a feasible strategy would be to design a loop filter with integrated resistor values larger than their minimum value.
Figure 20. PLL1 and PLL2 Loop Filters
Both CLKin ports can be driven by differential signals. It is recommended that the input mode be set to bipolar (CLKinX_BUF_TYPE = 0) when using differential reference clocks. The LMK04906 family internally biases the input pins so the differential interface should be AC coupled. The recommended circuits for driving the CLKin pins with either LVDS or LVPECL are shown in Figure 21 and Figure 22.
Figure 21. CLKinX/X* Termination for an LVDS Reference Clock Source
Figure 22. CLKinX/X* Termination for an LVPECL Reference Clock Source
Finally, a reference clock source that produces a differential sine wave output can drive the CLKin pins using the following circuit. Note: the signal level must conform to the requirements for the CLKin pins listed in Electrical Characteristics.
Figure 23. CLKinX/X* Termination for a Differential Sinewave Reference Clock Source
The CLKin pins of the LMK04906 family can be driven using a single-ended reference clock source, for example, either a sine wave source or an LVCMOS/LVTTL source. Either AC coupling or DC coupling may be used. In the case of the sine wave source that is expecting a 50-Ω load, it is recommended that AC coupling be used as shown in the circuit below with a 50-Ω termination.
NOTE
The signal level must conform to the requirements for the CLKin pins listed in the Electrical Characteristics table. CLKinX_BUF_TYPE in Register 11 is recommended to be set to bipolar mode (CLKinX_BUF_TYPE = 0).
Figure 24. CLKinX/X* Single-Ended Termination
If the CLKin pins are being driven with a single-ended LVCMOS/LVTTL source, either DC coupling or AC coupling may be used. If DC coupling is used, the CLKinX_BUF_TYPE should be set to MOS buffer mode (CLKinX_BUF_TYPE = 1) and the voltage swing of the source must meet the specifications for DC coupled, MOS-mode clock inputs given in the table of Electrical Characteristics. If AC coupling is used, the CLKinX_BUF_TYPE should be set to the bipolar buffer mode (CLKinX_BUF_TYPE = 0). The voltage swing at the input pins must meet the specifications for AC coupled, bipolar mode clock inputs given in the table of Electrical Characteristics. In this case, some attenuation of the clock input level may be required. A simple resistive divider circuit before the AC coupling capacitor is sufficient.
Figure 25. DC Coupled LVCMOS/LVTTL Reference Clock
When terminating clock drivers keep in mind these guidelines for optimum phase noise and jitter performance:
It is possible to drive a non-LVPECL or non-LVDS receiver with an LVDS or LVPECL driver as long as the above guidelines are followed. Check the datasheet of the receiver or input being driven to determine the best termination and coupling method to be sure that the receiver is biased at its optimum DC voltage (common mode voltage). For example, when driving the OSCin/OSCin* input of the LMK04906 family, OSCin/OSCin* should be AC coupled because OSCin/OSCin* biases the signal to the proper DC level (See Figure 39) This is only slightly different from the AC coupled cases described in Driving CLKin Pins With a Single-Ended Source because the DC blocking capacitors are placed between the termination and the OSCin/OSCin* pins, but the concept remains the same. The receiver (OSCin/OSCin*) sets the input to the optimum DC bias voltage (common mode voltage), not the driver.
For DC coupled operation of an LVDS driver, terminate with 100 Ω as close as possible to the LVDS receiver as shown in Figure 26.
Figure 26. Differential LVDS Operation, DC Coupling, No Biasing of the Receiver
For DC coupled operation of an LVPECL driver, terminate with 50 Ω to VCC – 2 V as shown in Figure 27. Alternatively terminate with a Thevenin equivalent circuit (120-Ω resistor connected to VCC and an 82-Ω resistor connected to ground with the driver connected to the junction of the 120-Ω and 82-Ω resistors) as shown in Figure 28 for VCC = 3.3 V.
Figure 27. Differential LVPECL Operation, DC Coupling
Figure 28. Differential LVPECL Operation, DC Coupling, Thevenin Equivalent
AC coupling allows for shifting the DC bias level (common mode voltage) when driving different receiver standards. Since AC coupling prevents the driver from providing a DC bias voltage at the receiver it is important to ensure the receiver is biased to its ideal DC level.
When driving non-biased LVDS receivers with an LVDS driver, the signal may be AC coupled by adding DC blocking capacitors; however, the proper DC bias point needs to be established at the receiver. One way to do this is with the termination circuitry in Figure 29.
Figure 29. Differential LVDS Operation, AC Coupling, External Biasing at the Receiver
Some LVDS receivers may have internal biasing on the inputs. In this case, the circuit shown in Figure 29 is modified by replacing the 50-Ω terminations to Vbias with a single 100-Ω resistor across the input pins of the receiver, as shown in Figure 30. When using AC coupling with LVDS outputs, there may be a start-up delay observed in the clock output due to capacitor charging. The previous figures employ a 0.1-µF capacitor. This value may need to be adjusted to meet the start-up requirements for a particular application.
Figure 30. LVDS Termination for a Self-Biased Receiver
LVPECL drivers require a DC path to ground. When AC coupling an LVPECL signal use 120-Ω emitter resistors close to the LVPECL driver to provide a DC path to ground as shown in Figure 31. For proper receiver operation, the signal should be biased to the DC bias level (common mode voltage) specified by the receiver. The typical DC bias voltage for LVPECL receivers is 2 V. A Thevenin equivalent circuit (82-Ω resistor connected to VCC and a 120-Ω resistor connected to ground with the driver connected to the junction of the 82-Ω and 120-Ω resistors) is a valid termination as shown in Figure 31 for VCC = 3.3 V. Note this Thevenin circuit is different from the DC coupled example in Figure 28.
Figure 31. Differential LVPECL Operation, AC Coupling, Thevenin Equivalent, External Biasing at the Receiver
A balun can be used with either LVDS or LVPECL drivers to convert the balanced, differential signal into an unbalanced, single-ended signal.
It is possible to use an LVPECL driver as one or two separate 800 mVpp signals. When using only one LVPECL driver of a CLKoutX/CLKoutX* pair, be sure to properly terminated the unused driver. When DC coupling one of the LMK04906 family clock LVPECL drivers, the termination should be 50 Ω to VCC – 2 V as shown in Figure 32. The Thevenin equivalent circuit is also a valid termination as shown in Figure 33 for Vcc = 3.3 V.
Figure 32. Single-Ended LVPECL Operation, DC Coupling
Figure 33. Single-Ended LVPECL Operation, DC Coupling, Thevenin Equivalent
When AC coupling an LVPECL driver use a 120 Ω emitter resistor to provide a DC path to ground and ensure a 50-Ω termination with the proper DC bias level for the receiver. The typical DC bias voltage for LVPECL receivers is 2 V (See Driving CLKin Pins With a Single-Ended Source). If the companion driver is not used it should be terminated with either a proper AC or DC termination. This latter example of AC coupling a single-ended LVPECL signal can be used to measure single-ended LVPECL performance using a spectrum analyzer or phase noise analyzer. When using most RF test equipment no DC bias point (0 VDC) is required for safe and proper operation. The internal 50 Ω termination of the test equipment correctly terminates the LVPECL driver being measured as shown in Figure 34.
Figure 34. Single-Ended LVPECL Operation, AC-Coupling
Calculating the value of the output dividers for use with the LMK04906 family is simple due to the architecture of the LMK04906. That is, the VCO divider may be bypassed and the clock output dividers allow for even and odd output divide values from 2 to 1045. For most applications it is recommended to bypass the VCO divider.
The procedure for determining the needed LMK04906 device and clock output divider values for a set of clock output frequencies is straightforward.
For example, given the following target output frequencies: 200 MHz, 120 MHz, and 25 MHz with a VCXO frequency of 40 MHz:
First determine the LCM of the three frequencies. LCM(200 MHz, 120 MHz, 25 MHz) = 600 MHz. The LCM frequency is the lowest frequency for which all of the target output frequencies are integer divisors of the LCM. Note, if there is one frequency which causes the LCM to be very large, greater than 3 GHz for example, determine if there is a single frequency requirement which causes this. It may be possible to select the VCXO/crystal frequency to satisfy this frequency requirement through OSCout or CLKout3/4 driven by OSCin. In this way it is possible to get non-integer related frequencies at the outputs.
Second, since the LCM is not in a VCO frequency range supported by the LMK04906, multiply the LCM frequency by an integer which causes it to fall into a valid VCO frequency range of an LMK04906 device. In this case 600 MHz * 4 = 2400 MHz which is valid for the LMK04906.
Third, continuing the example by using a VCO frequency of 2400 MHz and the LMK04906, the CLKout dividers can be calculated by simply dividing the VCO frequency by the output frequency. To output 200 MHz, 120 MHz, and 25 MHz the output dividers will be 12, 20, and 96 respectively.
Fourth, PLL2 must be locked to its input reference. See PLL Programming for more information on this topic. By programming the clock output dividers and the PLL2 dividers the VCO can lock to the frequency of 2400 MHz and the clock outputs dividers will each divide the VCO frequency down to the target output frequencies of 200 MHz, 120 MHz, and 25 MHz.
NOTE
Refer to application note AN-1865 Frequency Synthesis and Planning for PLL Architectures for more information on this topic and LCM calculations.
To lock a PLL the divided reference and divided feedback from VCO or VCXO must result in the same phase detector frequency. The tables below illustrate how the divides are structured for the reference path (R) and feedback path (N) depending on the MODE of the device.
| MODE | (R) PLL1 PDF = |
|---|---|
| All | CLKinX Frequency / CLKinX_PreR_DIV / PLL1_R |
| MODE | VCO_MUX | OSCout0 | PLL1 PDF (N) = |
|---|---|---|---|
| Internal VCO Dual PLL | — | Bypass | VCXO Frequency / PLL1_N |
| — | Divided | VCXO Frequency / OSCin_DIV / PLL1_N | |
| Internal VCO /w 0-delay | Bypass | — | VCO Frequency / CLKoutX_DIV / PLL1_N (1) |
| Divided | — | VCO Frequency / VCO_DIV / CLKoutX_DIV / PLL1_N (1) |
| EN_PLL2_REF_2X | PLL2 PDF (R) = |
|---|---|
| Disabled | OSCin Frequency / PLL2_R (1) |
| Enabled | OSCin Frequency * 2 / PLL2_R (1) |
| MODE | VCO_MUX | PLL2 PDF (N) = |
|---|---|---|
| Dual PLL | VCO | VCO Frequency / PLL2_P / PLL2_N |
| Dual PLL /w 0-delay | ||
| Single PLL | ||
| Dual PLL | VCO Divider | VCO Frequency / VCO_DIV / PLL2_P / PLL2_N |
| Dual PLL /w 0-delay | ||
| Single PLL | ||
| Dual PLL External VCO | — | VCO Frequency / VCO_DIV / PLL2_P / PLL2_N |
| Dual PLL External VCO /w 0-delay | ||
| Single PLL /w 0-delay | VCO | VCO Frequency / CLKoutX_DIV / PLL2_N |
| VCO Divider | VCO Frequency / VCO_DIV / CLKoutX_DIV / PLL2_N |
| MODE | VCO_MUX | PLL2 PDF (N_CAL) = |
|---|---|---|
| All Internal VCO Modes | VCO | VCO Frequency / PLL2_P / PLL2_N_CAL |
| VCO Divider | VCO Frequency / VCO_DIV / PLL2_P / PLL2_N_CAL | |
To program PLL2 to lock an LMK04906 using Dual PLL mode to a VCO frequency of 2400 MHz using a 40 MHz VCXO reference, first determine the total PLL2 N divide value. This is VCO Frequency / PLL2 phase detector frequency. This example assumes the PLL2 reference frequency doubler is enabled and a PLL2 R divider value of 2 (1) which results in PLL2 R divide value of 1 which results in PLL2 phase detector frequency the same as PLL2 reference frequency (40 MHz). 2400 MHz / 40 MHz = 60, so the total PLL2 N divide value is 60.
The dividers in the PLL2 N feedback path for Dual PLL mode include PLL2_P and PLL2_N. PLL2_P can be programmed from 2 to 8 even and odd. PLL2_N can be programmed from 1 to 263,143 even and odd. Since the total PLL2 N divide value of 60 contains the factors 2, 2, 3, and 5, it would be allowable to program PLL2_P to 2, 3 or 5. It is simplest to use the smallest divide, so PLL2_P = 2, and PLL2_N = 30 which results in a Total PLL2 N = 60.
For this example and in most cases, PLL2_N_CAL will have the same value as PLL2_N. However when using Single PLL mode with 0-delay, the values will differ. When using an external VCO, PLL2_N_CAL value is unused.
The digital lock detect circuit is used to determine PLL1 locked, PLL2 locked, and holdover exit events. A window size and lock count register are programmed to set a ppm frequency accuracy of reference to feedback signals of the PLL for each event to occur. When a PLL digital lock event occurs the PLL's digital lock detect is asserted true. When the holdover exit event occurs, the device will exit holdover mode.
| EVENT | PLL | WINDOW SIZE | LOCK COUNT |
|---|---|---|---|
| PLL1 Locked | PLL1 | PLL1_WND_SIZE | PLL1_DLD_CNT |
| PLL2 Locked | PLL2 | PLL2_WND_SIZE | PLL2_DLD_CNT |
| Holdover exit | PLL1 | PLL1_WND_SIZE | HOLDOVER_DLD_CNT |
For a digital lock detect event to occur there must be a “lock count” number of phase detector cycles of PLLX during which the time/phase error of the PLLX_R reference and PLLX_N feedback signal edges are within the user programmable "window size." Since there must be at least "lock count" phase detector events before a lock event occurs, a minimum digital lock event time can be calculated as "lock count" / fPDX where X = 1 for PLL1 or 2 for PLL2.
By using Equation 4, values for a lock count and window size can be chosen to set the frequency accuracy required by the system in ppm before the digital lock detect event occurs:
The effect of the lock count value is that it shortens the effective lock window size by dividing the window size by lock count.
If at any time the PLLX_R reference and PLLX_N feedback signals are outside the time window set by window size, then the lock count value is reset to 0.
To calculate the minimum PLL2 digital lock time given a PLL2 phase detector frequency of 40 MHz and PLL2_DLD_CNT = 10,000. Then the minimum lock time of PLL2 will be 10,000 / 40 MHz = 250 µs.
This section explains how to calculate the dynamic digital delay for any divide value.
Dynamic digital delay allows the time offset between two or more clock outputs to be adjusted with no or minimal interruption of clock outputs. Since the clock outputs are operating at a known frequency, the time offset can also be expressed as a phase shift. When dynamically adjusting the digital delay of clock outputs with different frequencies the phase shift should be expressed in terms of the higher frequency clock. The step size of the smallest time adjustment possible is equal to half the period of the Clock Distribution Path, which is the VCO frequency (Equation 2) or the VCO frequency divided by the VCO divider (Equation 3) if not bypassed. The smallest degree phase adjustment with respect to a clock frequency will be 360 * the smallest time adjustment * the clock frequency. The total number of phase offsets that the LMK04906 family is able to achieve using dynamic digital delay is equal 1 / (higher clock frequency * the smallest phase adjustment).
Equation 5 calculates the digital delay value that must be programmed for a synchronizing clock to achieve a 0 time/phase offset from the qualifying clock. Once this digital delay value is known, it is possible to calculate the digital delay value for any phase offset. The qualifying clock for dynamic digital delay is selected by the FEEDBACK_MUX. When dynamic digital delay is engaged with same clock output used for the qualifying clock and the new synchronized clock, it is termed relative dynamic digital delay since causing another SYNC event with the same digital delay value will offset the clock by the same phase once again. The important part of relative dynamic digital delay is that the CLKoutX_HS must be programmed correctly when the SYNC event occurs (Table 6). This can result in needing to program the device twice. Once to set the new CLKoutX_DDLY with CLKoutX_HS as required for the SYNC event, and again to set the CLKoutX_HS to its desired value.
Digital delay values are programmed using the CLKoutX_DDLY and CLKoutX_HS registers as shown in Equation 6. For example, to achieve a digital delay of 13.5, program CLKoutX_DDLY = 14 and CLKoutX_HS = 1.

Equation 5 uses the ceiling operator. To find the ceiling of a fractional number round up. An integer remains the same value.
Note: since the digital delay value for 0 time/phase offset is a function of the qualifying clock's divide value, the resulting digital delay value can be used for any clock output operating at any frequency to achieve a 0 time/phase offset from the qualifying clock. Therefore the calculated time shift table will also be the same as in Table 26
Consider a system with:
For this system the minimum time adjustment is 0.25 ns, which is 0.5 / (2000 MHz). Since the higher frequency is 200 MHz, phase adjustments will be calculated with respect to the 200 MHz frequency. The 0.25 ns minimum time adjustment results in a minimum phase adjustment of 18 degrees, which is 360 degrees / 200 MHz * 0.25 ns.
To calculate the digital delay value to achieve a 0 time/phase shift of CLKout2 when CLKout0 is the qualifying clock. Solve Equation 5 using the divide value of 10. To solve the equation 16/10 = 1.6, the ceiling of 1.6 is 2. Then to finish solving the equation solve (2 + 0.5) * 10 - 11.5 = 13.5. A digital delay value of 13.5 is programmed by setting CLKout2_DDLY = 14 and CLKout2_HS = 1.
To calculate the digital delay value to achieve a 0 time/phase shift of CLKout0 when CLKout2 is the qualifying clock, solve Equation 5 using the divide value of CLKout2, which is 20. This results in a digital delay of 18.5 which is programmed as CLKout0_DDLY = 19 and CLKout0_HS = 1.
Once the 0 time/phase shift digital delay programming value is known a table can be constructed with the digital delay value to be programmed for any time/phase offset by decrementing or incrementing the digital delay value by 0.5 for the minimum time/phase adjustment.
A complete filled out table for use of CLKout0 as the qualifying clock is shown in Table 26. It was created by entering a digital delay of 13.5 for 0 degree phase shift, then decrementing the digital delay down to the minimum value of 4.5. Since this did not result in all the possible phase shifts, the digital delay was then incremented from 13.5 to 14.0 to complete all possible phase shifts.
| DIGITAL DELAY |
CALCULATED TIME SHIFT (ns) |
RELATIVE TIME SHIFT TO 200 MHz (ns) |
PHASE SHIFT OF 200 MHZ (DEGREES) |
|---|---|---|---|
| 4.5 | –4.5 | 0.5 | 36 |
| 5 | –4.25 | 0.75 | 54 |
| 5.5 | –4 | 1 | 72 |
| 6 | –3.75 | 1.25 | 90 |
| 6.5 | –3.5 | 1.5 | 108 |
| 7 | –3.25 | 1.75 | 126 |
| 7.5 | –3 | 2 | 144 |
| 8 | –2.75 | 2.25 | 162 |
| 8.5 | –2.5 | 2.5 | 180 |
| 9 | –2.25 | 2.75 | 198 |
| 9.5 | –2 | 3 | 216 |
| 10 | –1.75 | 3.25 | 234 |
| 10.5 | –1.5 | 3.5 | 252 |
| 11 | –1.25 | 3.75 | 270 |
| 11.5 | –1 | 4 | 288 |
| 12 | –0.75 | 4.25 | 306 |
| 12.5 | –0.5 | 4.5 | 324 |
| 13 | –0.25 | 4.75 | 342 |
| 13.5 | 0 | 0 | 0 |
| 14 | 0.25 | 0.25 | 18 |
| 14.5 | 0.5 | 0.5 | 36 |
Observe that the digital delay value of 4.5 and 14.5 will achieve the same relative time shift/phase delay. However programming a digital delay of 14.5 will result in a clock off time for the synchronizing clock to achieve the same phase time shift/phase delay.
Digital delay value is programmed as CLKoutX_DDLY — (0.5 × CLKoutX_HS). So to achieve a digital delay of 13.5, program CLKoutX_DDLY = 14 and CLKoutX_HS = 1. To achieve a digital delay of 14, program CLKoutX_DDLY = 14 and CLKoutX_HS = 0.
The LMK04906 family features supporting circuitry for a discretely implemented oscillator driving the OSCin port pins. Figure 35 illustrates a reference design circuit for a crystal oscillator:
Figure 35. Reference Design Circuit for Crystal Oscillator Option
This circuit topology represents a parallel resonant mode oscillator design. When selecting a crystal for parallel resonance, the total load capacitance, CL, must be specified. The load capacitance is the sum of the tuning capacitance (CTUNE), the capacitance seen looking into the OSCin port (CIN), and stray capacitance due to PCB parasitics (CSTRAY), and is given by Equation 7.

CTUNE is provided by the varactor diode shown in Figure 35, Skyworks model SMV1249-074LF. A dual diode package with common cathode provides the variable capacitance for tuning. The single diode capacitance ranges from approximately 31 pF at 0.3 V to 3.4 pF at 3 V. The capacitance range of the dual package (anode to anode) is approximately 15.5 pF at 3 V to 1.7 pF at 0.3 V. The desired value of VTUNE applied to the diode should be VCC/2, or 1.65 V for VCC = 3.3 V. The typical performance curve from the data sheet for the SMV1249-074LF indicates that the capacitance at this voltage is approximately 6 pF (12 pF / 2).
The nominal input capacitance (CIN) of the LMK04906 family OSCin pins is 6 pF. The stray capacitance (CSTRAY) of the PCB should be minimized by arranging the oscillator circuit layout to achieve trace lengths as short as possible and as narrow as possible trace width (50-Ω characteristic impedance is not required). As an example, assume that CSTRAY is 4 pF. The total load capacitance is nominally:

Consequently the load capacitance specification for the crystal in this case should be nominally 14 pF.
The 2.2-nF capacitors shown in the circuit are coupling capacitors that block the DC tuning voltage applied by the 4.7-kΩ and 10-kΩ resistors. The value of these coupling capacitors should be large, relative to the value of CTUNE (CC1 = CC2 >> CTUNE), so that CTUNE becomes the dominant capacitance.
For a specific value of CL, the corresponding resonant frequency (FL) of the parallel resonant mode circuit is:

where
The normalized tuning range of the circuit is closely approximated by:

CL1, CL2 = The endpoints of the circuit’s load capacitance range, assuming a variable capacitance element is one component of the load. FCL1, FCL2 = parallel resonant frequencies at the extremes of the circuit’s load capacitance range.
A common range for the pullability ratio, C0/C1, is 250 to 280. The ratio of the load capacitance to the shunt capacitance is approximately (n × 1000), n < 10. Hence, picking a crystal with a smaller pullability ratio supports a wider tuning range because this allows the scale factors related to the load capacitance to dominate.
Examples of the phase noise and jitter performance of the LMK04906 with a crystal oscillator are shown in Table 27. This table illustrates the clock output phase noise when a 20.48-MHz crystal is paired with PLL1.
| INTEGRATION BANDWIDTH | CLOCK OUTPUT TYPE | PLL2 PDF = 20.48 MHz (EN_PLL2_REF2X = 0, XTAL_LVL = 3) |
PLL2 PDF = 40.96 MHz (EN_PLL2_REF2X = 1, XTAL_LVL = 3) |
|
|---|---|---|---|---|
| fCLK = 245.76 MHz | fCLK = 122.88 MHz | fCLK = 245.76 MHz | ||
| RMS JITTER (ps) | ||||
| 100 Hz – 20 MHz | LVCMOS | 374 | 412 | 382 |
| LVDS | 419 | 421 | 372 | |
| LVPECL 1.6 Vpp | 460 | 448 | 440 | |
| 10 kHz – 20 MHz | LVCMOS | 226 | 195 | 190 |
| LVDS | 231 | 205 | 194 | |
| LVPECL 1.6 Vpp | 226 | 191 | 188 | |
| PHASE NOISE (dBc/Hz) | ||||
| Offset | Clock Output Type | PLL2 PDF = 20.48 MHz (EN_PLL2_REF2X = 0, XTAL_LVL = 3) |
PLL2 PDF = 40.96 MHz (EN_PLL2_REF2X = 1, XTAL_LVL = 3) |
|
| fCLK = 245.76 MHz | fCLK = 122.88 MHz | fCLK = 245.76 MHz | ||
| 100 Hz | LVCMOS | -87 | -93 | -87 |
| LVDS | -86 | -91 | -86 | |
| LVPECL 1.6 Vpp | -86 | -92 | -85 | |
| 1 kHz | LVCMOS | -115 | -121 | -115 |
| LVDS | -115 | -123 | -116 | |
| LVPECL 1.6 Vpp | -114 | -122 | -116 | |
| 10 kHz | LVCMOS | -117 | -128 | -122 |
| LVDS | -117 | -128 | -122 | |
| LVPECL 1.6 Vpp | -117 | -128 | -122 | |
| 100 kHz | LVCMOS | -130 | -135 | -129 |
| LVDS | -130 | -135 | -129 | |
| LVPECL 1.6 Vpp | -129 | -135 | -129 | |
| 1 MHz | LVCMOS | -150 | -154 | -148 |
| LVDS | -149 | -153 | -148 | |
| LVPECL 1.6 Vpp | -150 | -154 | -148 | |
| 40 MHz | LVCMOS | -159 | -162 | -159 |
| LVDS | -157 | -159 | -157 | |
| LVPECL 1.6 Vpp | -159 | -161 | -159 | |
Example crystal specifications are presented in Table 28.
| PARAMETER | VALUE |
|---|---|
| Nominal Frequency (MHz) | 20.48 |
| Frequency Stability, T = 25 °C | ± 10 ppm |
| Operating temperature range | -40 °C to +85 °C |
| Frequency Stability, -40 °C to +85 °C | ± 15 ppm |
| Load Capacitance | 14 pF |
| Shunt Capacitance (C0) | 5 pF Maximum |
| Motional Capacitance (C1) | 20 fF ± 30% |
| Equivalent Series Resistance | 25 Ω Maximum |
| Drive level | 2 mWatts Maximum |
| C0/C1 ratio | 225 typical, 250 Maximum |
See Figure 36 for a representative tuning curve.
Figure 36. Example Tuning Curve, 20.48-MHz Crystal
The tuning curve achieved in the user's application may differ from the curve shown above due to differences in PCB layout and component selection.
This data is measured on the bench with the crystal integrated with the LMK04906 family. Using a voltmeter to monitor the VTUNE node for the crystal, the PLL1 reference clock input frequency is swept in frequency and the resulting tuning voltage generated by PLL1 is measured at each frequency. At each value of the reference clock frequency, the lock state of PLL1 should be monitored to ensure that the tuning voltage applied to the crystal is valid.
The curve shows over the tuning voltage range of 0.3 VDC to 3.0 VDC, the frequency range is –140 to 91 ppm; or equivalently, a tuning range of –2850 Hz to 1850 Hz. The measured tuning voltage at the nominal crystal frequency (20.48 MHz) is 1.7 V. Using the diode data sheet tuning characteristics, this voltage results in a tuning capacitance of approximately 6.5 pF.
The tuning curve data can be used to calculate the gain of the oscillator (KVCO). The data used in the calculations is taken from the most linear portion of the curve, a region centered on the crossover point at the nominal frequency (20.48 MHz). For a well designed circuit, this is the most likely operating range. In this case, the tuning range used for the calculations is ± 1000 Hz (± 0.001 MHz), or ± 81.4 ppm. The simplest method is to calculate the ratio:

ΔF2 and ΔF1 are in units of MHz. Using data from the curve this becomes:

A second method uses the tuning data in units of ppm:

FNOM is the nominal frequency of the crystal and is in units of MHz. Using the data, this becomes:

In order to ensure startup of the oscillator circuit, the equivalent series resistance (ESR) of the selected crystal should conform to the specifications listed in Electrical Characteristics.
It is also important to select a crystal with adequate power dissipation capability, or drive level. If the drive level supplied by the oscillator exceeds the maximum specified by the crystal manufacturer, the crystal will undergo excessive aging and possibly become damaged. Drive level is directly proportional to resonant frequency, capacitive load seen by the crystal, voltage and equivalent series resistance (ESR). For more complete coverage of crystal oscillator design, see AN-1939 Crystal Based Oscillator Design with the LMK04000 Family (SNAA065).
Normal use case of the LMK04906 device is as a dual loop jitter cleaner. This section will discuss a design example to illustrate the various functional aspects of the LMK04906 device.
Figure 37. Simplified Functional Block Diagram for Dual Loop Mode
Given a remote radio head (RRU) type application which needs to clock some ADCs, DACs, FPGA, SERDES, and an LO. The input clock will be a recovered clock which needs jitter cleaning. The FPGA clock should have a clock output on power up. A summary of clock input and output requirements are as follows:
Clock Input:
Clock Outputs:
It is also desirable to have the holdover feature engage if the recovered clock reference is ever lost. The following information reviews the steps to produce this design.
Design of all aspects of the LMK04906 are quite involved and software has been written to assist in part selection, part programming, loop filter design, and simulation. This design procedure will give a quick outline of the process.
Note that this information is current as of the date of the release of this datasheet. Design tools receive continuous improvements to add features and improve model accuracy. Refer to software instructions or training for latest features.
Use the WEBENCH Clock Architect Tool or Clock Design Tool. Enter the required frequencies and formats into the tool. To use this device, find a solution using the LMK04906.
When viewing resulting solutions, it is possible to narrow the parts used in the solution by setting a filter.
Under advanced tab, filtering of specific parts can be done using regular expressions in the Part Filter box. "LMK04906" will filter for only the LMK04906 device (without quotes).
In wizard-mode, select Dual Loop PLL to find the LMK04906 device. If a high frequency and clean reference is available, Although dual loop mode is selected as a customer requirement, it is not required to use dual loop; PLL1 can be powered down and input is then provided via the OSCin port. When simulating single loop solutions, set PLL1 loop filter block to "0 Hz LBW" and use VCXO as the reference block.
In this example, the LCM(245.76 MHz, 983.04 MHz, 122.88 MHz) = 983.04 MHz. A valid VCO frequency for LMK04906 is 2949.12 MHz = 3 * 983.04 MHz. Therefore the LMK0480B may be used to produce these output frequencies.
The tools automatically configure the simulation to meet the input and output frequency requirements given and make assumptions about other parameters to give some default simulations. The assumptions made are to maximize input frequencies, phase detector frequencies, and charge pump currents while minimizing VCO frequency and divider values.
For this example, when using the clock design tool, the reference would have been manually entered as 30.72 MHz according to input frequency requirements, but the tool allows VCXO1 frequency either to be set manually, auto-selected according to standard frequencies, or auto-selected for best frequency. With the best frequency option, the highest possible VCXO frequency which gives the highest possible PLL2 PDF frequency is recommended first. In this case: 421 + 53/175 MHz VCXO resulting in a 140 + 76/175 MHz phase detector frequency. This is a high phase detector frequency, but the VCXO is likely going to be a custom order. The select configuration page just before simulation shows before some different configurations possible with different VCO divider values. For example, a more common 491.52 MHz frequency provides a 122.88 MHz PDF. This is a more logical configuration.
From the simulation page of clock design tool, it can be seen that the VCXO frequency of 491.52 MHz is too high for feedback into the PLL1_N divider. Reducing the VCXO frequency to 245.76 MHz resolves the PLL1_N divider max input frequency problem. The PLL2 R divider must be updated to 2 so that the VCO of PLL2 is still at 2949.12 MHz.
At this point the design meets all input and output frequency requirements and it is possible to design a loop filter for system and simulate performance on CLKouts. However, consider also the following:
PLL1 outputs have the best phase noise performance for LO references. As such OSCout0 can be used to provide the 122.88 MHz LO reference clock. To achieve this with the 245.76 MHz VCXO the OSCout_DIV can be set to 2 to provide 122.88 MHz at OSCout0. However in the next section it is determined that for the POR clock, a 122.88 MHz VCXO will be chosen which results not needing to change this parameter.
If OSCout1 is to be used for LVPECL POR 122.88 MHz clock, the POR value of the OSCout_DIV is 1, so a 122.88 MHz VCXO frequency must be chosen. This may be desired anyway since the phase detector frequency is limited to 122.88 MHz and lower frequency VCXOs tend to cost less. With this change the OSCin frequency and phase detector frequency are the same, so the doubler must be enabled and the PLL2 R divider programmed = 2 to follow the rule stated in PLL Programming. Since the clock design tool does not show the doubler, PLL2_R will still reflect the value 1 one for the simulation purposes.
If LVDS was required for POR clock, a voltage divider could be used to convert from LVPECL to LVDS.
Note: it is possible to set the PLL2 R = 0.5 to simulate the doubler in-case lower frequency VCXOs would like to be simulated. For example a 61.44 MHz VCXO could be used while retaining a 122.88 MHz phase detector frequency. However, it would reduce the LO reference frequency and POR clock frequency to 61.44 MHz.
At this time the main design updates have been made to support the POR clock and loop filter design may begin.
The PLL structure for the LMK04906 is illustrated in Figure 37.
At this time the user may choose to make adjustments to the simulation tools for more accurate simulations to their application. For example:
For this example, for PLL1 to perform jitter cleaning and to minimize jitter from PLL2 used for frequency multiplication:
The next two sections will discuss PLL1 and PLL2 loop filter design specific to this example using default phase noise profiles.
NOTE
Clock Design Tool provides some recommend loop filters upon first load of the simulation. Anytime PLL related inputs change like an input phase noise, charge pump current, divider values, and so forth. it is best to re-design the PLL1 loop filter to the recommended design or your desired parameters. After PLL1, then update the PLL2 loop filter in the same way to keep the loop filters designed and optimized for the application. Since PLL1 loop filter design may impact PLL2 loop filter design, be sure to update the designs in order.
For this example, in the clock design tool simulator click on the PLL1 loop filter design button, then update the loop bandwidth for 0.05 kHz and the phase margin for 50 degrees and press calculate. With the 30.72 MHz phase detector frequency and 1.6 mA charge pump; the designed loop filter's largest capacitor, C2, is 27 µF. Supposing a goal of < 10 µF; setting PLL1 R = 4 and pressing the calculate again shows that C2 is 6.8 µF. Suppose that a reduction to < 1 µF is desired, continuing to increase the PLL1 R to 8 resulting in a phase detector frequency of 3.84 MHz and reducing the charge pump current from 1.6 mA to 0.4 mA and calculating again shows that C2 is 820 nF. As N was increased and charge pump decreased, this final design has R2 = 12 kΩ. The first design with low N value and high charge pump current result in R2 = 390 Ω. The impact of the thermal resistance is calculated in the tool. Viewing the simulation of the loop filter with the 12-kΩ resistor shows that the thermal noise in the loop is not impacting performance.
It may be desired to design a 3rd order loop filter for additional attenuation input noise and spurs
With the PLL1 loop filter design complete, PLL2's loop filter is ready to be designed.
In the clock design tool simulator, click on the PLL2 loop filter design button, then press recommend design. For PLL2's loop filter maximum phase detector frequency and maximum charge pump current are typically used. Typically the jitter integration bandwidth includes the loop filter bandwidth for PLL2. The recommended loop filter by the tools are designed to minimize jitter. The integrated loop filter components are minimized with this recommendation as to allow maximum flexibility in achieve wide loop bandwidths for low PLL noise. With the recommended loop filter calculated, this loop filter is ready to be simulated.
If using integrated components is desired, open the bode plot for the PLL2 Loop Filter, then make adjustments to the integrated components. The effective loop bandwidth and phase margin with these updates is calculated. The integrated loop filter components are good to use when attempting to eliminate some spurs since they provide filtering after the bond wires. The recommended procedure is to increase C3/C4 capacitance, then R3/R4 resistance. Large R3/R4 resistance can result in degraded VCO phase noise performance.
At this time the Clock Design Tool and Clock Architect only assign outputs to specific clock outputs numerically; not necessarily by optimum configuration. The user may wish to make some educated re-assignment of outputs.
During device configuration, some output assignment was discussed since it impacted the part's configuration relating to loop filter design, such as:
Since CLKout6/7 and CLKout8/9 have a mux allowing them to be driven by the VCXO and due there is a chance for some 122.88 MHz crosstalk from the VCXO. The 122.88 MHz SERDES clock will be placed on CLKout6 since it will not be sensitive to crosstalk as it is operating at the same frequency.
The two 245.76 MHz clocks and four 983.04 MHz clocks for the converters need to be discussed. There is some flexibility in assignment. For example CLKout0/1 could operate at 245.76 MHz for the ADCs and then CLKout2/3 and CLKout4/5 could operate at 983.04 MHz for the DAC. It is also possible to consider CLKout2/3 for the ADC and position CLKout0/1 and CLKout10/11 for the DAC. The ADCs clock was placed as far as possible from other clock which could result in sub-harmonic spurs since the ADC clock is often the most sensitive.
Digital lock time for PLL1 will ultimately depend upon the programming of the PLL1_DLD_CNT register as discussed in Digital Lock Detect Frequency Accuracy. Since the PLL1 phase detector frequency in this example is 3.84 MHz, the lock time will = 1 / (PLL1_DLD_CNT * 3.84 MHz)
Digital lock time for PLL1 if PLL1_DLD_CNT = 10000 is just over 2.6 ms. When using holdover, it is very important to program the PLL1_DLD_CNT to a value large enough to prevent false digital lock detect signals.
If PLL1_DLD_CNT is too small, when the device exits holdover and is re-locking, the DLD will go high while the phase of the reference and feedback are within the specified window size because the programmed PLL1_DLD_CNT will be satisfied. However, if the loop has not yet settled to without the window size, when the phases of the reference and feedback once again exceed the window size, the DLD will return low. Provided that DISABLE_DLD1_DET = 0, the device once again enter holdover. Assuming that the reference clock is valid because holdover was just exited, the exit criteria will again be met, holdover will exit, and PLL1 will start locking. Unfortunately, the same sequence of events will repeat resulting in oscillation out-of and back-into holdover. Setting the PLL1_DLD_CNT to an appropriately large value prevents chattering of the PLL1 DLD signal and stable holdover operation can be achieved.
Refer to Holdover Mode - Automatic Exit of Holdover for more detail on calculating exit times and how the PLL1_DLD_CNT and PLL1_WND_SIZE work together.
For this example, when the recovered clock is lost, the goal is to set the VCXO to Vcc/2 until the recovered clock returns. Holdover Mode contains detailed information on how to program holdover.
To achieve the above goal, fixed holdover will be used. Program:
The CodeLoader software is used to program the LMK04906 evaluation board using the LMK04906 profile. It also allows the exporting of a register map which can be used to program the device to the user’s desired configuration.
Once a configuration of dividers has been achieved using the Clock Design Tool to meet the requested input/output frequencies with the desired performance, the CodeLoader software is manually updated with this information to meet the required application. At this time no automatic import exists.
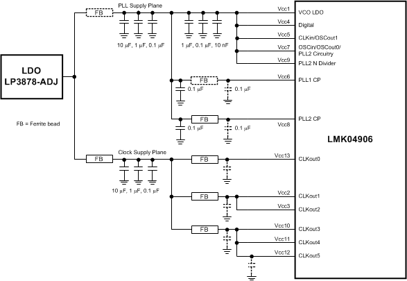
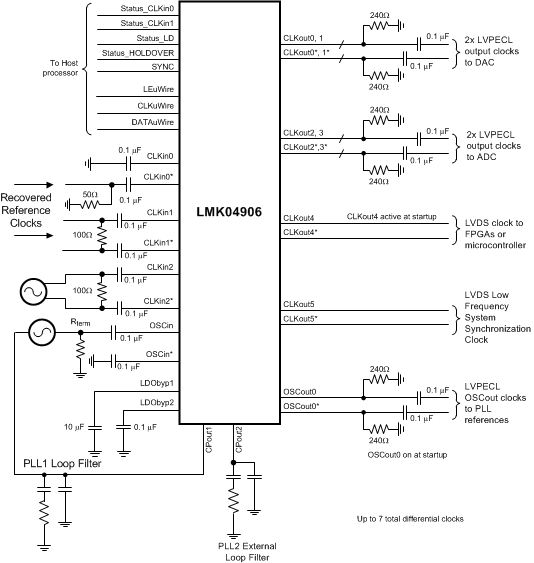
Figure 39 and Figure 40 show an LMK04906 family device with external circuitry for clocking and for power supply to serve as a guideline for good practices when designing with the LMK04906 family. See Pin Connection Recommendations for more details on the pin connections and bypassing recommendations. Also refer to the evaluation board. PCB design will also play a role in device performance.
Figure 39. Example Application – System Schematic Except for Power
Figure 39 shows the primary reference clock input is at CLKin0/0*. A secondary reference clock is driving CLKin1/1*. Both clocks are depicted as AC coupled differential drivers. The VCXO attached to the OSCin/OSCin* port is configured as an AC coupled single-ended driver. Any of the input ports (CLKin0/0*, CLKin1/1*, CLKin2/2*or OSCin/OSCin*) may be configured as either differential or single-ended. These options are discussed later in the data sheet.
See Loop Filter for more information on PLL1 and PLL2 loop filters.
The clock outputs are all AC coupled with 0.1 µF capacitors. Some clock outputs are depicted as LVPECL with 240 Ω emitter resistors and some clock outputs as LVDS. However, the output format of the clock outputs will vary by user programming, so the user should use the appropriate source termination for each clock output. Later sections of this data sheet illustrate alternative methods for AC coupling, DC coupling and terminating the clock outputs.
PCB design will influence crosstalk performance. Tightly coupled clock traces will have less crosstalk than loosely coupled clock traces. Also proximity to other clocks traces will influence crosstalk.
Figure 40. Example Application – Power System Schematic
Figure 40 shows an example decouping and bypassing scheme for the LMK04906. Components drawn in dotted lines are optional. Two power planes are used in this design, one for the clock outputs and one for other PLL circuits.
PCB design will influence impedance to the supply. Vias and traces will increase the impedance to the power supply. Ensure good direct return current paths.
When using an LVPECL output it is not recommended to place a capacitor to ground on the output as might be done when using a capacitor input LC lowpass filter. The capacitor will appear as a short to the LVPECL output drivers which are able to supply large amounts of switching current. The effect of the LVPECL sourcing large switching currents can result in: