SNIS128D August 2002 – June 2014 LM89
UNLESS OTHERWISE NOTED, this document contains ADVANCE INFORMATION for pre-production products; subject to change without notice.

| PIN | DESCRIPTION | ||
|---|---|---|---|
| NAME | DGK or D NUMBER | FUNCTION | TYPICAL CONNECTION |
| VDD | 1 | Positive Supply Voltage Input | DC Voltage from 3.0 V to 3.6 V. VDD should be bypassed with a 0.1µF capacitor in parallel with 100pF. The 100pF capacitor should be placed as close as possible to the power supply pin. A bulk capacitance of approximately 10µF needs to be in the near vicinity to the LM89 VDD. |
| D+ | 2 | Diode Current Source | To Diode Anode. Connected to remote discrete diode-connected transistor junction or to the diode-connected transistor junction on a remote IC whose die temperature is being sensed. A 2.2 nF diode bypass capacitor is required to filter high frequency noise. Place the 2.2 nF capacitor between and as close as possible to the LM89's D+ and D− pins. Make sure the traces to the 2.2 nF capacitor are matched. |
| D− | 3 | Diode Return Current Sink | To Diode Cathode. |
| T_CRIT_A | 4 | T_CRIT Alarm Output, Open-Drain, Active-Low | Pull-Up Resistor, Controller Interrupt or Power Supply Shutdown Control |
| GND | 5 | Power Supply Ground | Ground |
| ALERT | 6 | Interrupt Output, Open-Drain, Active-Low | Pull-Up Resistor, Controller Interrupt or Alert Line |
| SMBData | 7 | SMBus Bi-Directional Data Line, Open-Drain Output | From and to Controller, Pull-Up Resistor |
| SMBCLK | 8 | SMBus Input | From Controller, Pull-Up Resistor |
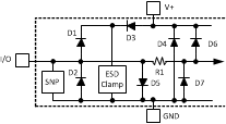
| Pin Name | PIN NO. | D1 | D2 | D3 | D4 | D5 | D6 | D7 | R1 | SNP | ESD CLAMP |
|---|---|---|---|---|---|---|---|---|---|---|---|
| VDD | 1 | x | |||||||||
| D+ | 2 | x | x | x | x | x | x | ||||
| D− | 3 | x | x | x | x | x | x | ||||
| T_CRIT_A | 4 | x | x | x | |||||||
| ALERT | 6 | x | x | x | |||||||
| SMBData | 7 | x | x | x | |||||||
| SMBCLK | 8 | x |
Figure 1. ESD Protection Input Structure