ZHCSCO1D June 2014 – April 2015 ISO7310C , ISO7310FC
PRODUCTION DATA.
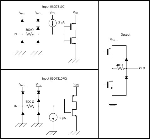
The isolator in Figure 12 is based on a capacitive isolation barrier technique. The I/O channel of the device consists of two internal data channels, a high-frequency (HF) channel with a bandwidth from 100 kbps up to 25 Mbps, and a low-frequency (LF) channel covering the range from 100 kbps down to DC.
In principle, a single-ended input signal entering the HF channel is split into a differential signal via the inverter gate at the input. The following capacitor-resistor networks differentiate the signal into transient pulses, which then are converted into CMOS levels by a comparator. The transient pulses at the input of the comparator can be either above or below the common mode voltage VREF depending on whether the input bit transitioned from 0 to 1 or 1 to 0. The comparator threshold is adjusted based on the expected bit transition. A decision logic (DCL) at the output of the HF channel comparator measures the durations between signal transients. If the duration between two consecutive transients exceeds a certain time limit, (as in the case of a low-frequency signal), the DCL forces the output-multiplexer to switch from the high-frequency to the low-frequency channel.

Because low-frequency input signals require the internal capacitors to assume prohibitively large values, these signals are pulse-width modulated (PWM) with the carrier frequency of an internal oscillator, thus creating a sufficiently high frequency, capable of passing the capacitive barrier. As the input is modulated, a low-pass filter (LPF) is needed to remove the high-frequency carrier from the actual data before passing it on to the output multiplexer.
| PRODUCT | RATED ISOLATION | MAX DATA RATE | DEFAULT OUTPUT |
|---|---|---|---|
| ISO7310C | 3000 VRMS / 4242 VPK(1) | 25 Mbps | High |
| ISO7310FC | Low |
| PARAMETER | TEST CONDITIONS | MIN | TYP | MAX | UNIT | ||
|---|---|---|---|---|---|---|---|
| L(I01) | Minimum air gap (clearance) | Shortest terminal-to-terminal distance through air | 4 | mm | |||
| L(I02) | Minimum external tracking (creepage) | Shortest terminal-to-terminal distance across the package surface | 4 | mm | |||
| CTI | Tracking resistance (comparative tracking index) | DIN EN 60112 (VDE 0303-11); IEC 60112 | 400 | V | |||
| DTI | Minimum internal gap (internal clearance) | Distance through the insulation | 13 | µm | |||
| RIO | Isolation resistance, input to output(1) | VIO = 500 V, TA = 25°C | >1012 | Ω | |||
| VIO = 500 V, 100°C ≤ TA ≤ 125°C | >1011 | Ω | |||||
| CIO | Isolation capacitance, input to output(1) | VIO = 0.4 sin (2πft), f = 1 MHz | 0.5 | pF | |||
| CI | Input capacitance(2) | VI = VCC/2 + 0.4 sin (2πft), f = 1 MHz, VCC = 5 V | 1.6 | pF | |||
NOTE
Creepage and clearance requirements should be applied according to the specific equipment isolation standards of an application. Care should be taken to maintain the creepage and clearance distance of a board design to ensure that the mounting pads of the isolator on the printed-circuit board do not reduce this distance.
Creepage and clearance on a printed-circuit board become equal in certain cases. Techniques such as inserting grooves and/or ribs on a printed circuit board are used to help increase these specifications.
| PARAMETER(1) | TEST CONDITIONS | SPECIFICATION | UNIT | |
|---|---|---|---|---|
| VIOWM | Maximum isolation working voltage | 400 | VRMS | |
| VIORM | Maximum repetitive peak voltage per DIN V VDE V 0884-10 |
566 | VPK | |
| VPR | Input-to-output test voltage per DIN V VDE V 0884-10 |
After Input/Output safety test subgroup 2/3, VPR = VIORM x 1.2, t = 10 s, Partial discharge < 5 pC |
680 | VPK |
| Method a, After environmental tests subgroup 1, VPR = VIORM x 1.6, t = 10 s, Partial Discharge < 5 pC |
906 | |||
| Method b1, VPR = VIORM x 1.875, t = 1 s (100% Production test) Partial discharge < 5 pC |
1062 | |||
| VIOTM | Maximum transient overvoltage per DIN V VDE V 0884-10 |
VTEST = VIOTM
t = 60 sec (qualification) t= 1 sec (100% production) |
4242 | VPK |
| VIOSM | Maximum surge isolation voltage per DIN V VDE V 0884-10 |
Test method per IEC 60065, 1.2/50 µs waveform, VTEST = 1.3 x VIOSM = 7800 VPK (qualification) |
6000 | VPK |
| VISO | Withstand isolation voltage per UL 1577 | VTEST = VISO = 3000 VRMS, t = 60 sec (qualification); VTEST = 1.2 x VISO = 3600 VRMS, t = 1 sec (100% production) |
3000 | VRMS |
| RS | Insulation resistance | VIO = 500 V at TS = 150°C | >109 | Ω |
| Pollution degree | 2 | |||
| PARAMETER | TEST CONDITIONS | SPECIFICATION |
|---|---|---|
| Basic isolation group | Material group | II |
| Installation classification | Rated mains voltage ≤ 150 VRMS | I–IV |
| Rated mains voltage ≤ 300 VRMS | I–III |
| VDE | CSA | UL | CQC |
|---|---|---|---|
| Certified according to DIN V VDE V 0884-10 (VDE V 0884-10):2006-12 and DIN EN 61010-1 (VDE 0411-1):2011-07 | Approved under CSA Component Acceptance Notice 5A, IEC 60950-1, and IEC 61010-1 | Recognized under UL 1577 Component Recognition Program | Certified according to GB4943.1-2011 |
| Basic Insulation Maximum Transient Overvoltage, 4242 VPK; Maximum Surge Isolation Voltage, 6000 VPK; Maximum Repetitive Peak Voltage, 566 VPK |
400 VRMS Basic Insulation and 200 VRMS Reinforced Insulation working voltage per CSA 60950-1-07+A1+A2 and IEC 60950-1 2nd Ed.+A1+A2; 300 VRMS Basic Insulation working voltage per CSA 61010-1-12 and IEC 61010-1 3rd Ed. |
Single protection, 3000 VRMS(1) | Basic Insulation, Altitude ≤ 5000 m, Tropical Climate, 250 VRMS maximum working voltage |
| Certificate number: 40016131 | Master contract number: 220991 | File number: E181974 | Certificate number: CQC15001121656 |
| PARAMETER | TEST CONDITIONS | MIN | TYP | MAX | UNIT | |
|---|---|---|---|---|---|---|
| IS | Safety input, output, or supply current | RθJA = 119.9 °C/W, VI = 5.5 V, TJ = 150°C, TA = 25°C | 190 | mA | ||
| RθJA = 119.9 °C/W, VI = 3.6 V, TJ = 150°C, TA = 25°C | 290 | |||||
| TS | Maximum case temperature | 150 | °C | |||
The safety-limiting constraint is the absolute-maximum junction temperature specified in the Absolut Maximun Ratings table. The power dissipation and junction-to-air thermal impedance of the device installed in the application hardware determines the junction temperature. The assumed junction-to-air thermal resistance in the Thermal Information table is that of a device installed on a High-K Test Board for Leaded Surface-Mount Packages. The power is the recommended maximum input voltage times the current. The junction temperature is then the ambient temperature plus the power times the junction-to-air thermal resistance.
Figure 13. θJC Thermal Derating Curve per DIN V VDE 0884-10
| VCC1 | VCC2 | IN | OUT | |
|---|---|---|---|---|
| ISO7310C | ISO7310FC | |||
| PU | PU | H | H | H |
| L | L | L | ||
| Open | H(2) | L(3) | ||
| PD | PU | X | H(2) | L(3) |
| X | PD | X | Undetermined | Undetermined |