SLVSA11G October 2009 – November 2015 DRV8828
PRODUCTION DATA.
NOTE
Information in the following applications sections is not part of the TI component specification, and TI does not warrant its accuracy or completeness. TI’s customers are responsible for determining suitability of components for their purposes. Customers should validate and test their design implementation to confirm system functionality.
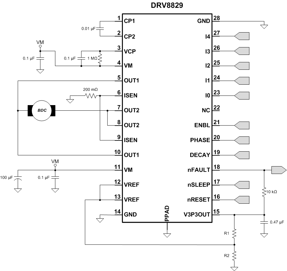
The DRV8828 is used in brushed motor or stepper motor control. The onboard current regulation allows for limiting the motor current through simple pin configurations.
Figure 7. Motor Control Circuitry
For this design example, use the parameters listed in Table 3
| PARAMETER | REFERENCE | VALUE |
|---|---|---|
| Supply Voltage | VM | 24 V |
| Motor Winding Resistance | RM | 3.9 Ohm |
| Motor Winding Inductance | LM | 2.9 mH |
| Target Chopping Current | ITRIP | 1.5 A |
| Sense Resistor | RSENSE | 200 mΩ |
| VREF Voltage | VREF | 1.5 V |
The maximum current (ITRIP) is set by the Ix pins, the VREF analog voltage, and the sense resistor value (RSENSE). When starting a brushed DC motor, a large inrush current may occur because there is no back-EMF and high detent torque. Current regulation will act to limit this inrush current and prevent high current on start-up.

Example - If the desired chopping current is 1.5 A:
For optimal performance, it is important for the sense resistor to be:
The power dissipated by the sense resistor equals Irms² x R. For example, if the RMS motor current is 1.5 A and a 200 mΩ sense resistor is used, the resistor will dissipate 1.5 A² × 0.2 Ω = 0.3 W. The power quickly increases with greater current levels.
Resistors typically have a rated power within some ambient temperature range, along with a de-rated power curve for high ambient temperatures. When a PCB is shared with other components generating heat, margin should be added. It is always best to measure the actual sense resistor temperature in a final system, along with the power MOSFETs, as those are often the hottest components.
Because power resistors are larger and more expensive than standard resistors, it is common practice to use multiple standard resistors in parallel, between the sense node and ground. This distributes the current and heat dissipation.
Figure 8. DRV8828 Current Limiting
Figure 9. DRV8828 Direction Change