ZHCSDK7 April 2015
PRODUCTION DATA.
| MIN | MAX | UNIT | ||
|---|---|---|---|---|
| Voltage (with respect to GND) |
VBUS (converter not switching) | –2 | 15(2) | V |
| PMID (converter not switching) | –0.3 | 15(2) | V | |
| STAT, PG | –0.3 | 12 | V | |
| BTST | –0.3 | 12 | V | |
| SW | –2 | 7 8 (Peak for 20ns duration) |
V | |
| BAT, SYS (converter not switching) | –0.3 | 6 | V | |
| SDA, SCL, INT, OTG, ILIM, REGN, TS, QON, CEPSEL | –0.3 | 7 | V | |
| BTST TO SW | –0.3 | 7 | V | |
| PGND to GND | –0.3 | 0.3 | V | |
| Output sink current | INT, STAT, PG | 6 | mA | |
| Junction temperature | –40 | 150 | °C | |
| Storage temperature range, Tstg | –65 | 150 | °C | |
| VALUE | UNIT | |||
|---|---|---|---|---|
| V(ESD) | Electrostatic discharge | Human body model (HBM), per ANSI/ESDA/JEDEC JS-001(1) | 1000 | V |
| Charged device model (CDM), per JEDEC specification JESD22-C101(2) | 250 | V | ||
| MIN | MAX | UNIT | ||
|---|---|---|---|---|
| VIN | Input voltage | 3.9 | 6.2(1) | V |
| ISYS | Output current (SYS) | 3.5 | A | |
| VBAT | Battery voltage | 4.4 | V | |
| IBAT | Fast charging current | 3 | A | |
| Discharging current with internal MOSFET | 5.5 | A | ||
| TA | Operating free-air temperature range | –40 | 85 | °C |
| THERMAL METRIC(1) | RTW (WQFN)
24 PIN |
UNIT | |
|---|---|---|---|
| RθJA | Junction-to-ambient thermal resistance | 32.2 | °C/W |
| RθJCtop | Junction-to-case (top) thermal resistance | 29.8 | |
| RθJB | Junction-to-board thermal resistance | 9.1 | |
| ψJT | Junction-to-top characterization parameter | 0.3 | |
| ψJB | Junction-to-board characterization parameter | 9.1 | |
| RθJCbot | Junction-to-case (bottom) thermal resistance | 2.2 | |
| PARAMETER | TEST CONDITIONS | MIN | TYP | MAX | UNIT | |
|---|---|---|---|---|---|---|
| QUIESCENT CURRENTS | ||||||
| IBAT | Battery discharge current (BAT, SW, SYS) | VVBUS < VUVLO, VBAT = 4.2 V, leakage between BAT and VBUS, TJ < 85°C | 5 | µA | ||
| High-Z Mode, or no VBUS, BATFET disabled (REG07[5] = 1), –40°C – 85°C | 16 | 20 | µA | |||
| High-Z Mode, or no VBUS, BATFET enabled (REG07[5] = 0), –40°C – 85°C | 32 | 55 | µA | |||
| IVBUS | Input supply current (VBUS) | VVBUS = 5 V, High-Z mode, No battery | 15 | 30 | µA | |
| VVBUS > VUVLO, VVBUS > VBAT, converter not switching | 1.5 | 3 | mA | |||
| VVBUS > VUVLO, VVBUS > VBAT, converter switching, VBAT = 3.2 V, ISYS = 0 A | 4 | mA | ||||
| VVBUS > VUVLO, VVBUS > VBAT, converter switching, charge disable, VBAT = 3.8 V, ISYS = 100 µA | 3.5 | mA | ||||
| IBOOST | Battery discharge current in boost mode | VBAT = 4.2 V, Boost mode, IVBUS = 0 A, converter switching | 3.5 | mA | ||
| VBUS/BAT POWER UP | ||||||
| VVBUS_OP | VBUS operating voltage | 3.9 | 6.2 | V | ||
| VVBUS_UVLOZ | VBUS for active I2C, no battery | VVBUS rising | 3.6 | V | ||
| VSLEEP | Sleep mode falling threshold | VVBUS falling, VVBUS-VBAT | 35 | 80 | 120 | mV |
| VSLEEPZ | Sleep mode rising threshold | VVBUS rising, VVBUS-VBAT | 170 | 250 | 350 | mV |
| VACOV | VBUS over-voltage rising threshold | VVBUS rising | 6.2 | 6.6 | V | |
| VACOV_HYST | VBUS over-voltage falling hysteresis | VVBUS falling | 250 | mV | ||
| VBAT_UVLOZ | Battery for active I2C, no VBUS | VBAT rising | 2.3 | V | ||
| VBAT_DPL | Battery depletion threshold | VBAT falling | 2.4 | 2.6 | V | |
| VBAT_DPL_HY | Battery depletion rising hysteresis | VBAT rising | 200 | mV | ||
| VVBUSMIN | Bad adapter detection threshold | VVBUS falling | 3.8 | V | ||
| IBADSRC | Bad adapter detection current source | 30 | mA | |||
| POWER PATH MANAGEMENT | ||||||
| VSYS_MAX | Maximum DC system voltage output | BATFET (Q4) off, VBAT up to 4.35 V
|
4.43 | V | ||
| VSYS_MIN | Minimum DC system voltage output | REG01[3:1] = 101, VSYSMIN = 3.5 V | 3.5 | 3.65 | V | |
| RON(RBFET) | Top reverse blocking MOSFET on-resistance between VBUS and PMIID | 28 | 41 | mΩ | ||
| RON(HSFET) | Internal top switching MOSFET on-resistance between PMID and SW | TJ = –40°C – 85°C | 39 | 51 | mΩ | |
| TJ = -40°C – 125°C | 39 | 58 | ||||
| RON(LSFET) | Internal bottom switching MOSFET on-resistance between SW and PGND | TJ = –40°C – 85°C | 61 | 82 | mΩ | |
| TJ = -40°C – 125°C | 61 | 90 | ||||
| VFWD | BATFET forward voltage in supplement mode | BAT discharge current 10mA | 30 | mV | ||
| VSYS_BAT | SYS/BAT comparator | VBAT < VSYSMIN , VSYS falling | 80 | mV | ||
| VBAT > VSYSMIN , VSYS falling | 180 | mV | ||||
| VBATGD | Battery good comparator rising threshold | VBAT rising | 3.55 | V | ||
| VBATGD_HYST | Battery good comparator falling threshold | VBAT falling | 100 | mV | ||
| BATTERY CHARGER | ||||||
| VBAT_REG_ACC | Charge voltage regulation accuracy | VBAT = 4.112 V and 4.208 V | –0.5% | 0.5% | ||
| IICHG_REG_ACC | Fast charge current regulation accuracy | VBAT = 3.8 V, ICHG = 1024 mA, TJ = 25°C | -4% | 4% | ||
| VBAT = 3.8 V, ICHG = 1024 mA, TJ = -20°C – 125°C | -7% | 7% | ||||
| VBAT = 3.8 V, ICHG = 1792 mA, TJ = -20°C – 125°C | –10% | 10% | ||||
| ICHG_20pct | Charge current with 20% option on | VBAT = 3.1 V, ICHG = 104 mA, REG02 = 03 and REG02[0] = 1 | 75 | 175 | mA | |
| VBATLOWV | Battery LOWV falling threshold | Fast charge to precharge, REG04[1] = 1 | 2.6 | 2.8 | 2.9 | V |
| VBATLOWV_HYST | Battery LOWV rising threshold | Precharge to fast charge, REG04[1] = 1 (Typical 200-mV hysteresis) |
2.8 | 3.0 | 3.1 | V |
| IPRECHG_ACC | Precharge current regulation accuracy | VBAT = 2.6 V, ICHG = 256 mA | –20% | 20% | ||
| ITYP_TERM_ACC | Typical termination current | ITERM = 256 mA, ICHG = 2048 mA | 256 | mA | ||
| ITERM_ACC | Termination current accuracy | ITERM = 256 mA, ICHG = 2048 mA | –20% | 20% | ||
| VSHORT | Battery short voltage | VBAT falling | 2.0 | V | ||
| VSHORT_HYST | Battery Short Voltage hysteresis | VBAT rising | 200 | mV | ||
| ISHORT | Battery short current | VBAT < 2.2 V | 100 | mA | ||
| VRECHG | Recharge threshold below VBAT_REG | VBAT falling, REG04[0] = 0 | 100 | mV | ||
| tRECHG | Recharge deglitch time | VBAT falling, REG04[0] = 0 | 20 | ms | ||
| RON_BATFET | SYS-BAT MOSFET on-resistance | TJ = 25°C | 24 | 28 | mΩ | |
| TJ = –20°C – 125°C | 24 | 35 | ||||
| INPUT VOLTAGE/CURRENT REGULATION | ||||||
| VINDPM_REG_ACC | Input voltage regulation accuracy | -2% | 2% | |||
| IUSB_DPM | USB Input current regulation limit, VBUS = 5V, current pulled from SW | USB100 | 85 | 100 | mA | |
| USB150 | 125 | 150 | mA | |||
| USB500 | 440 | 500 | mA | |||
| USB900 | 750 | 900 | mA | |||
| IADPT_DPM | Input current regulation accuracy | IADP = 1.5 A, REG00[2:0] = 101 | 1.3 | 1.5 | A | |
| IIN_START | Input current limit during system start up | VSYS < 2.2 V | 100 | mA | ||
| KILIM | IIN = KILIM/RILIM | 395 | 435 | 475 | A x Ω | |
| BAT OVER-VOLTAGE PROTECTION | ||||||
| VBATOVP | Battery over-voltage threshold | VBAT rising, as percentage of VBAT_REG | 104% | |||
| VBATOVP_HYST | Battery over-voltage hysteresis | VBAT falling, as percentage of VBAT_REG | 2% | |||
| tBATOVP | Battery over-voltage deglitch time to disable charge | 1 | µs | |||
| THERMAL REGULATION AND THERMAL SHUTDOWN | ||||||
| TJunction_REG | Junction temperature regulation accuracy | REG06[1:0] = 11 | 120 | °C | ||
| TSHUT | Thermal shutdown rising temperature | Temperature increasing | 160 | °C | ||
| TSHUT_HYS | Thermal shutdown hysteresis | 30 | °C | |||
| Thermal shutdown rising deglitch | Temperature increasing delay | 1 | ms | |||
| Thermal shutdown falling deglitch | Temperature decreasing delay | 1 | ms | |||
| COLD/HOT THERMISTER COMPARATOR | ||||||
| VLTF | Cold temperature threshold, TS pin voltage rising threshold | Charger suspends charge. as percentage to VREGN | 73% | 73.5% | 74% | |
| VLTF_HYS | Cold temperature hysteresis, TS pin voltage falling | As percentage to VREGN | 0.4% | |||
| VHTF | Hot temperature TS pin voltage rising threshold | As percentage to VREGN | 46.6% | 47.2% | 48.8% | |
| VTCO | Cut-off temperature TS pin voltage falling threshold | As percentage to VREGN | 44.2% | 44.7% | 45.2% | |
| Deglitch time for temperature out of range detection | VTS > VLTF, or VTS < VTCO, or VTS < VHTF | 10 | ms | |||
| VBCOLD0 | Cold temperature threshold, TS pin voltage rising threshold | As percentage to VREGN REG02[1] = 0 (Approx. -10°C w/ 103AT) |
75.5% | 76% | 76.5% | |
| VBCOLD0_HYS | As percentage to VREGN REG02[1] = 0 (Approx. 1°C w/ 103AT) |
1% | ||||
| VBCOLD1 | Cold temperature threshold 1, TS pin voltage rising threshold | As percentage to VREGN REG02[1] = 1 (Approx. -20°C w/ 103AT) |
78.5% | 79% | 79.5% | |
| VBCOLD1_HYS | As percentage to VREGN REG02[1] = 1 (Approx. 1°C w/ 103AT) |
1% | ||||
| VBHOT0 | Hot temperature threshold, TS pin voltage falling threshold | As percentage to VREGN REG06[3:2] = 01 (Approx. 55°C w/ 103AT) |
35.5% | 36% | 36.5% | |
| VBHOT0_HYS | As percentage to VREGN REG06[3:2] = 01 (Approx. 3°C w/ 103AT) |
3% | ||||
| VBHOT1 | Hot temperature threshold 1, TS pin voltage falling threshold | As percentage to VREGN REG06[3:2] = 00 (Approx. 60°C w/ 103AT) |
32.5% | 33% | 33.5% | |
| VBHOT1_HYS | As percentage to VREGN REG06[3:2] = 00 (Approx. 3°C w/ 103AT) |
3% | ||||
| VBHOT2 | Hot temperature threshold 2, TS pin voltage falling threshold | As percentage to VREGN REG06[3:2] = 10 (Approx. 65°C w/ 103AT) |
29.5% | 30% | 30.5% | |
| VBHOT2_HYS | As percentage to VREGN REG06[3:2] = 10 (Approx. 3°C w/ 103AT) |
3% | ||||
| CHARGE OVER-CURRENT COMPARATOR | ||||||
| IHSFET_OCP | HSFET cycle by cycle over-current threshold | 5.3 | 7.5 | A | ||
| VLSFET_UCP | LSFET charge under-current falling threshold | From sync mode to non-sync mode | 100 | mA | ||
| FSW | PWM Switching frequency, and digital clock | 1300 | 1500 | 1700 | kHz | |
| DMAX | Maximum PWM duty cycle | 97% | ||||
| VBTST_REFRESH | Bootstrap refresh comparator threshold | VBTST-VSW when LSFET refresh pulse is requested, VBUS = 5 V | 3.6 | V | ||
| BOOST MODE OPERATION | ||||||
| VOTG_REG_ACC | OTG output voltage | I(VBUS) = 0, REG06[7:4] = 0111 (4.998 V) | 5 | V | ||
| VOTG_REG_ACC | OTG output voltage accuracy | I(VBUS) = 0, REG06[7:4] = 0111 (4.998 V) | -3% | 3% | ||
| VOTG_BAT | Battery voltage exiting OTG mode | BAT falling, REG04[1] = 1 | 2.9 | V | ||
| IOTG | OTG mode output current | REG01[0] = 0 | 1 | A | ||
| REG01[0] = 1 | 1.5 | A | ||||
| VOTG_OVP | OTG over-voltage threshold | Rising threshold | 5.8 | 6 | V | |
| VOTG_OVP_HYS | OTG over-voltage threshold hysteresis | Falling threshold | 300 | mV | ||
| IOTG_LSOCP | LSFET cycle by cycle current limit | 5 | A | |||
| IOTG_HSZCP | HSFET under current falling threshold | 100 | mA | |||
| IRBFET_OCP | RBFET over-current threshold | REG01[0] = 0 | 1.00 | 1.15 | 1.30 | A |
| REG01[0] = 1 | 1.50 | 1.70 | 1.90 | |||
| REGN LDO | ||||||
| VREGN | REGN LDO output voltage | VVBUS = 6 V, IREGN = 40 mA | 4.8 | 5 | 5.5 | V |
| VVBUS = 5 V, IREGN = 20 mA | 4.7 | 4.8 | V | |||
| IREGN | REGN LDO current limit | VVBUS = 5 V, VREGN = 3.8 V | 50 | mA | ||
| LOGIC I/O PIN CHARACTERISTICS (OTG, CE, STAT, QON, PSEL, PG) | ||||||
| VILO | Input low threshold | 0.4 | V | |||
| VIH | Input high threshold (CE, STAT, QON, PSEL, PG) | 1.3 | V | |||
| VIH_OTG | Input high threshold (OTG) | 1.1 | V | |||
| VOUT_LO | Output low saturation voltage | Sink current = 5 mA | 0.4 | V | ||
| IBIAS | High level leakage current (OTG, CE, STAT , PSEL, PG) | Pull-up rail 1.8 V | 1 | µA | ||
| IBIAS | High level leakage current (QON) | Pull-up rail 3.6 V | 8 | µA | ||
| I2C INTERFACE (SDA, SCL, INT) | ||||||
| VIH | Input high threshold level | VPULL-UP = 1.8 V, SDA and SCL | 1.3 | V | ||
| VIL | Input low threshold level | VPULL-UP = 1.8 V, SDA and SCL | 0.4 | V | ||
| VOL | Output low threshold level | Sink current = 5 mA | 0.4 | V | ||
| IBIAS | High-level leakage current | VPULL-UP = 1.8 V, SDA and SCL | 1 | µA | ||
| fSCL | SCL clock frequency | 400 | kHz | |||
| DIGITAL CLOCK AND WATCHDOG TIMER | ||||||
| fHIZ | Digital crude clock | REGN LDO disabled | 15 | 35 | 50 | kHz |
| fDIG | Digital clock | REGN LDO enabled | 1300 | 1500 | 1700 | kHz |
| MIN | TYP | MAX | UNIT | |||
|---|---|---|---|---|---|---|
| VBUS/BAT POWER UP | ||||||
| tBADSRC | Bad source detection duration | 30 | ms | |||
| BOOST MODE OPERATION | ||||||
| tOTG_OCP_OFF | OTG mode over-current protection off cycle time | 32 | ms | |||
| tOTG_OCP_ON | OTG mode over-current protection on cycle time | 450 | µs | |||
| QON TIMING | ||||||
| tQON_ON_1 | QON low time to turn on BATFET and exit ship mode | 0.6 | 1.5 | s | ||
| tQON_RST | QON low time to reset BATFET | 10 | 12.5 | 15 | s | |
| tBATFET_RST | BATFET reset duration | 250 | 400 | ms | ||
| LOGIC I/O PIN CHARACTERISTICS (OTG, CE, STAT, QON, PSEL, PG) | ||||||
| tBATFET_DLY | BATFET disable delay time | 7 | 9 | 11 | s | |
| DIGITAL CLOCK AND WATCHDOG TIMER | ||||||
| tWDT | REG05[5:4] = 11 | REGN LDO disabled | 138 | 172 | s | |
| REGN LDO enabled | 138 | 168 | ||||
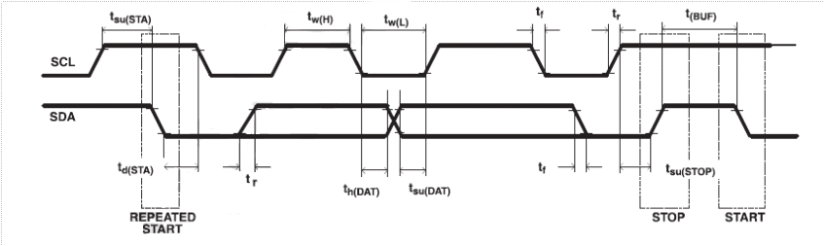
Figure 1. I2C-Compatible Interface Timing Diagram
| FIGURE | |
|---|---|
| Charging Efficiency vs Charging Current (DCR = 10 mΩ) | Figure 2 |
| System Efficiency vs System Load Current (DCR = 10 mΩ) | Figure 3 |
| Boost Mode Efficiency vs VBUS Load Current (DCR = 10 mΩ) | Figure 4 |
| SYS Voltage Regulation vs System Load Current | Figure 5 |
| Boost Mode VBUS Voltage Regulation (Typical Output = 4.998 V, REG06[7:4] = 0111) vs VBUS Load Current | Figure 6 |
| SYS Voltage vs Temperature | Figure 7 |
| BAT Voltage vs Temperature | Figure 8 |
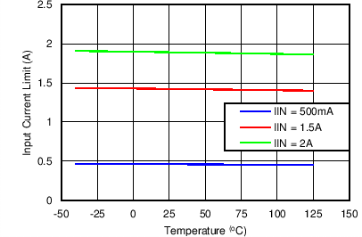
| Input Current Limit vs Temperature | Figure 9 |
| Charge Current vs Package Temperature | Figure 10 |



| Typical Output = 4.998 V, REG06[7:4] = 0111 | ||





