SLVSCV3B March 2015 – June 2015 TPS566250
PRODUCTION DATA.
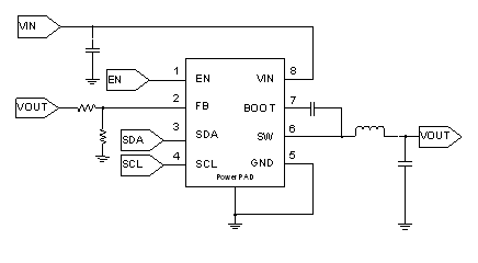
The TPS566250 is a synchronous buck converter that enables system designers to complete the suite of various end equipment’s power bus regulators with a cost effective, low component count and low standby current solution.
After the initial power-up, the output voltage can be changed by codes sent to the IC via an I2C compatible VID Control bus.
The main control loops of the TPS566250 use the D-CAP2™ mode control which provides a fast transient response with no external compensation components. The adaptive on-time control supports seamless transition between PWM mode at higher load conditions and Advanced Eco-mode™ operation at light loads. Advanced Eco-mode™ allows the TPS566250 to maintain high efficiency during lighter load conditions. The TPS566250 is able to adapt to both low equivalent series resistance (ESR) output capacitors such as POSCAP or SP-CAP, and ultra-low ESR, ceramic capacitors.
The device offers on chip overcurrent, undervoltage lockout and thermal shutdown protection.
| PART NUMBER | PACKAGE | BODY SIZE (NOM) |
|---|---|---|
| TPS566250 | HSOP (8) | 4.90 mm x 3.90 mm |

