SCDS008M May 1993 – June 2015 SN74CBT16214
PRODUCTION DATA.
Refer to the PDF data sheet for device specific package drawings
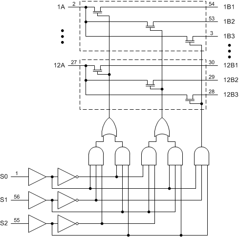
The SN74CBT16214 provides 12 bits of high-speed TTL-compatible bus switching between three separate ports. The low ON-state resistance of the switch allows connections to be made with minimal propagation delay.
The device operates as a 12-bit bus-select switch via the data-select (S0–S2) terminals.
| PART NUMBER | PACKAGE | BODY SIZE (NOM) |
|---|---|---|
| SN74CBT16214DGG | TSSOP (56) | 8.10 mm × 14.00 mm |
| SN74CBT16214DL | SSOP (56) | 10.35 mm x 18.42 mm |
