SGLS386F January 2009 – October 2014 DAC5670-SP
PRODUCTION DATA.
Refer to the PDF data sheet for device specific package drawings
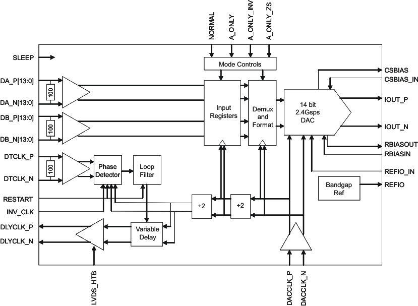
The DAC5670 is a 14-bit 2.4-GSPS DAC with dual demultiplexed differential input ports. The DAC5670 is clocked at the DAC sample rate and the two input ports run at a maximum of 1.2 GSPS. An additional reference bit input sequence is used to adjust the output clock delay to the data source, optimizing the internal data latching clock relative to this reference bit with a delay lock loop (DLL). Alternatively, the DLL may be bypassed and the timing interface managed by controlling DATA setup and hold timing to DLYCLK.
The DAC5670 can also accept data up to 1.2 GSPS using only the A input port. In the single port modes, options include: repeating the input sample (A_ONLY mode), 2× interpolation by zero stuff (A_ONLY_ZS mode), or 2× interpolation by repeating and inverting the input sample (A_ONLY_INV). These modes are used to double the input sample rate up to 2.4 GSPS.
The DAC5670 operates with a single 3- to 3.6-V supply voltage. Power dissipation is 2 W at maximum operating conditions. The DAC5670 provides a nominal full-scale differential current-output of 20 mA, supporting both single-ended and differential applications. An on-chip 1.2-V temperature-compensated bandgap reference and control amplifier allows the user to adjust the full-scale output current from the nominal 20 mA to as low as 5 mA or as high as 30 mA.
| PART NUMBER | PACKAGE | BODY SIZE (NOM) |
|---|---|---|
| DAC5670-SP | CBGA (192) | 19.00 mm × 19.00 mm |

Changes from E Revision (December 2013) to F Revision
Changes from D Revision (May 2013) to E Revision